Оглавление: Передний бампер ↓ Задний бампер ↓
Бампер
1. Кронштейн фартука крыла, левый; 2. Боковой кронштейн, левый; 3. Указатель поворота, левый; 4. Указатель поворота, правый; 5. Панель буфера; 6. Бампер; 7. Боковой кронштейн, правый; 8. Кронштейн фартука крыла, правый; 9, 10. Передние кронштейны (правый и левый)
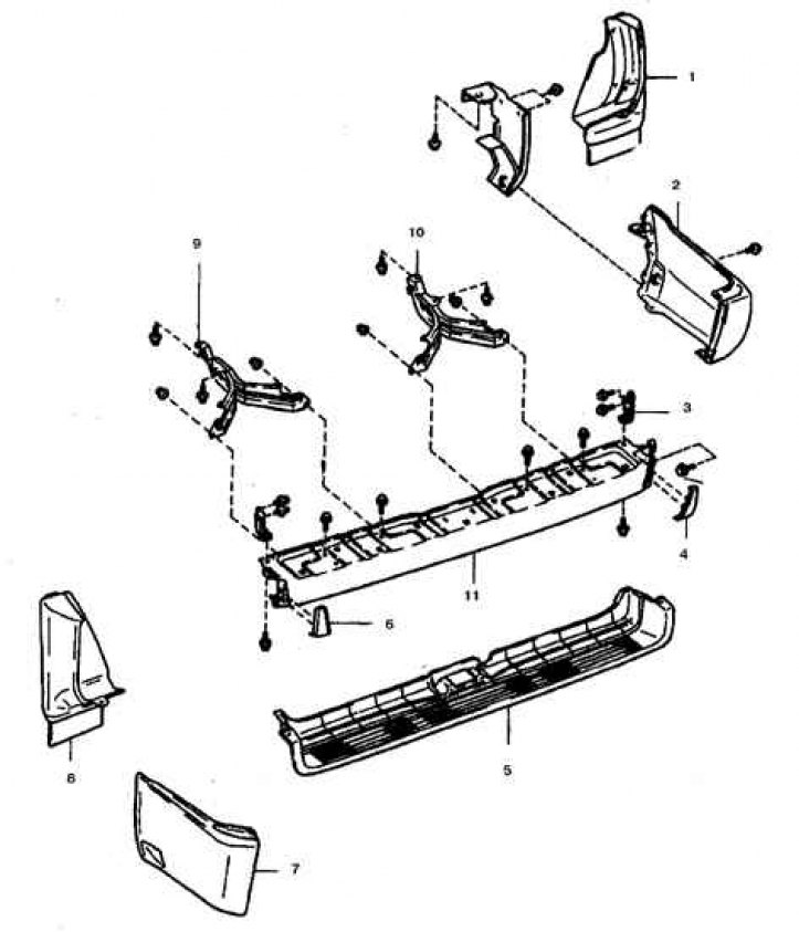
Детали заднего бампера
1. Задний правый грязеотражатель; 2. Боковая накладка, правая; 3. Кронштейн; 4, 6. Уплотнитель; 5. Накладка; 7. Боковая накладка, левая; 8. Задний левый грязеотражатель; 9, 10. Кронштейн; 11. Поперечина бампера
Передний бампер
1. Снимите переднюю решетку.
2. Снимите указатели поворотов.
3. Отверните болты крепления бампера к передним и боковым кронштейнам и снимите бампер.
4. Установка выполняется в обратном порядке.
Задний бампер
5. При замене бампера руководствуйтесь рис. Детали заднего бампера.
6. Установка выполняется в обратном порядке.
