Компания Хонда Компания Форд Компания Шкода Компания Киа Компания Мазда Компания Мерседес Компания Рено
Русский English
Български
Беларускі
Український
Српски
Hrvatski
Română
Polski
Slovenský
Magyar
В закладки Статьи Карта Контакты Поиск
ToyotaMan.ru
 
 
 
 
 
 
 
 
 
Camry Corolla Corona Carina Land Cruiser Highlander 4Runner RAV4 Другие
4 Раннер N120 (1989-1995)

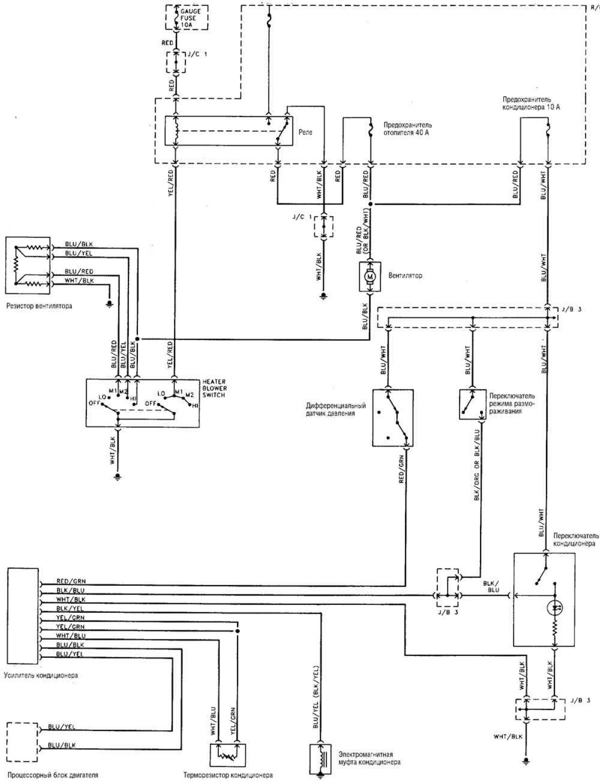
Отопитель и кондиционер (1997-1998 гг.) [Toyota 4Runner N120]

  • Главная
  • 4 Раннер
  • N120 (1989-1995)
  • Электрооборудование
  • Электрические схемы
  • Отопитель и кондиционер (1997-1998 гг.)
0

Отопитель и кондиционер (1997-1998 гг.)



Открыть большую картинку в новой вкладке »
Открыть большую картинку в новой вкладке »

Сокращения, использующиеся на схемах электрооборудования, а также цвета изоляции проводов смотрите здесь →
Эта статья доступна на: английском, болгарском, белорусском, украинском, сербском, хорватском, румынском, польском, словацком, венгерском
Материал статьи был проверен: Грибков Владимир
Поделитесь информацией:
◀ Предыдущие
4 Раннер N120: Электрические схемы
Следующие ▶

Круиз-контроль 4-цилиндрового двигателя
Круиз-контроль двигателя 3,4 л V6
Схема электрооборудования двери
Электропривод стеклоподъемников и дверных замков
Освещение внутри салона
Магнитола и аудиосистема
Контрольно-измерительные приборы и контрольные лампы
Электросхема стеклоочистителя
Похожие статьи по другим моделям Тойота

➥ Кондиционер и отопитель — общие сведения Тойота Камри XV30 (2001-2006)
➥ Вентилятор системы охлаждения, отопитель, кондиционер (с… Тойота Дуэт (1998-2004)
➥ Замена коммутатора на моделях с 1996 по 1998 год Тойота РАВ 4 ХА10 (1994-2000)
➥ Вентилятор радиатора системы охлаждения и кондиционер… Тойота Карина Т190 (1992-1996)
➥ Газотермический отопитель для дизельных автомобилей Тойота Королла Версо 3 (2004-2009)
➥ Задний отопитель, с системой навигации Тойота Крузер 100 (1998-2007)
Ссылка в разных форматах на эту статью
TEXTHTMLBB Code
Комментарии и отзывы посетителей
Комментариев пока нет


Сложите два числа 49 + 29

       





4 Раннер N120 (1989-1995) 
  • Общая информация
  • Руководство по эксплуатации
  • Техническое обслуживание
  • Силовой агрегат
  • 4-х цилиндровые двигатели
  • 6-ти цилиндровые двигатели
  • Капитальный ремонт двигателя
  • Охлаждение и отопление
  • Топливная система
  • Трансмиссия
  • Механическая коробка
  • Автоматическая коробка
  • Раздаточная коробка
  • Сцепление
  • Трансмиссионная линия
  • Шасси, ходовая часть
  • Тормозная система
  • Подвеска автомобиля
  • Рулевое управление
  • Кузов и салон
  • Экстерьер (внешние элементы)
  • Интерьер (внутренние элементы)
  • Двери, замки и окна
  • Электрооборудование
  • Оборудование и приборы
  • Система зажигания
  • Силовые устройства
  • Электрические схемы
Автомобильный анекдот
показать ещё один
ToyotaMan.ru © 2018–2025 • Мобильная версия • Интересное о Тойоте • Администрация • Карта сайта: EN BG BY UA RS HR RO PL SK HU • Система поиска • В закладки
Camry Vista-V40 • Camry XV10 • Camry XV20 • Camry XV30 • Corolla Verso-AR10 • Corolla E80 • Corona T190 • Carina T170 • Carina T190 • Land Cruiser J70 (дизель) • Land Cruiser J60 (бензин) • Land Cruiser J100 • Highlander XU20 (бензин) • 4Runner N120 • RAV4 XA10 • Duet M100 • Dyna Y50 • Автомобильные новости • Ремонт японских автомобилей • Обслуживание японских авто • Гидравлические АКПП Тойота • Электронные АКПП Тойота • Правила безопасного вождения