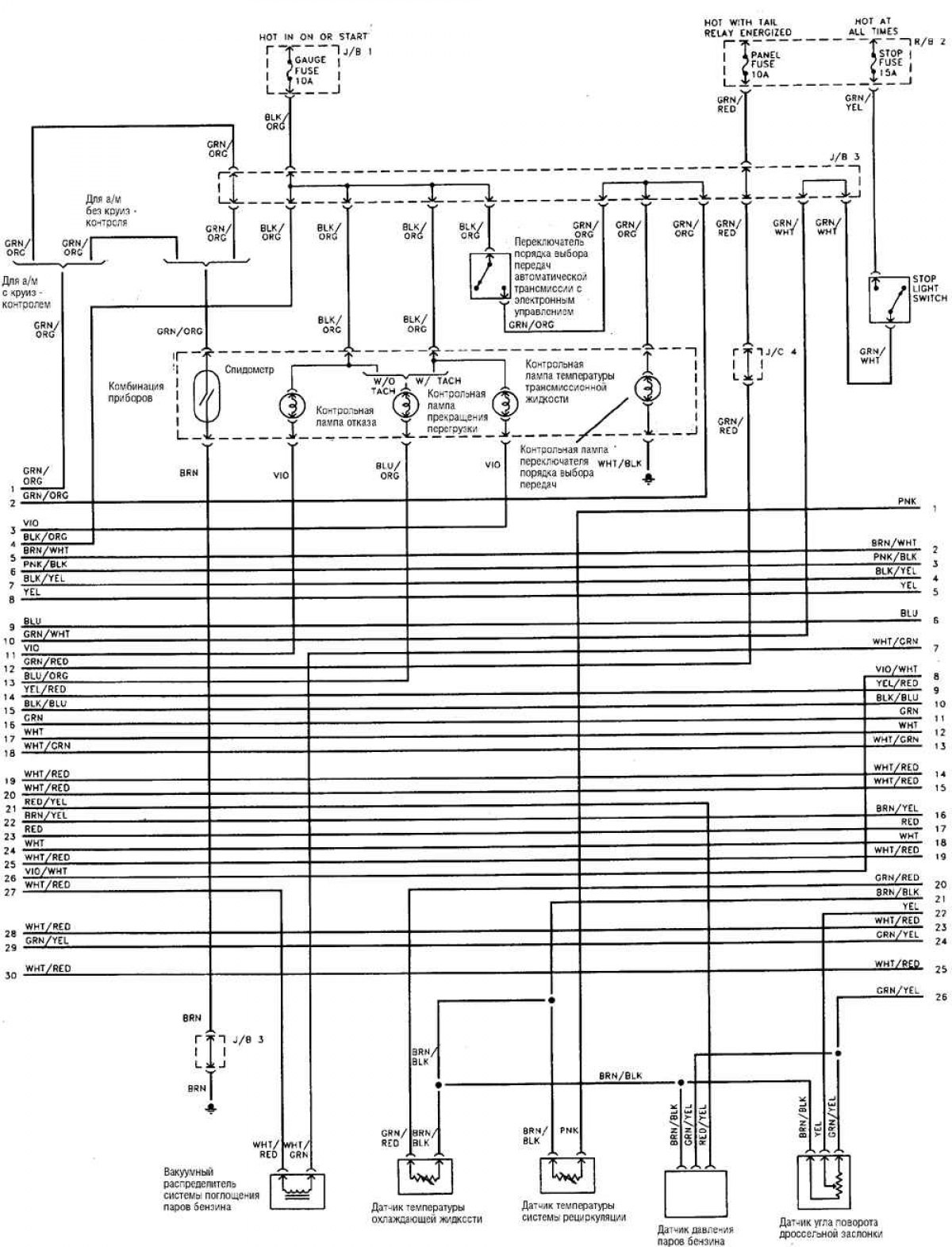
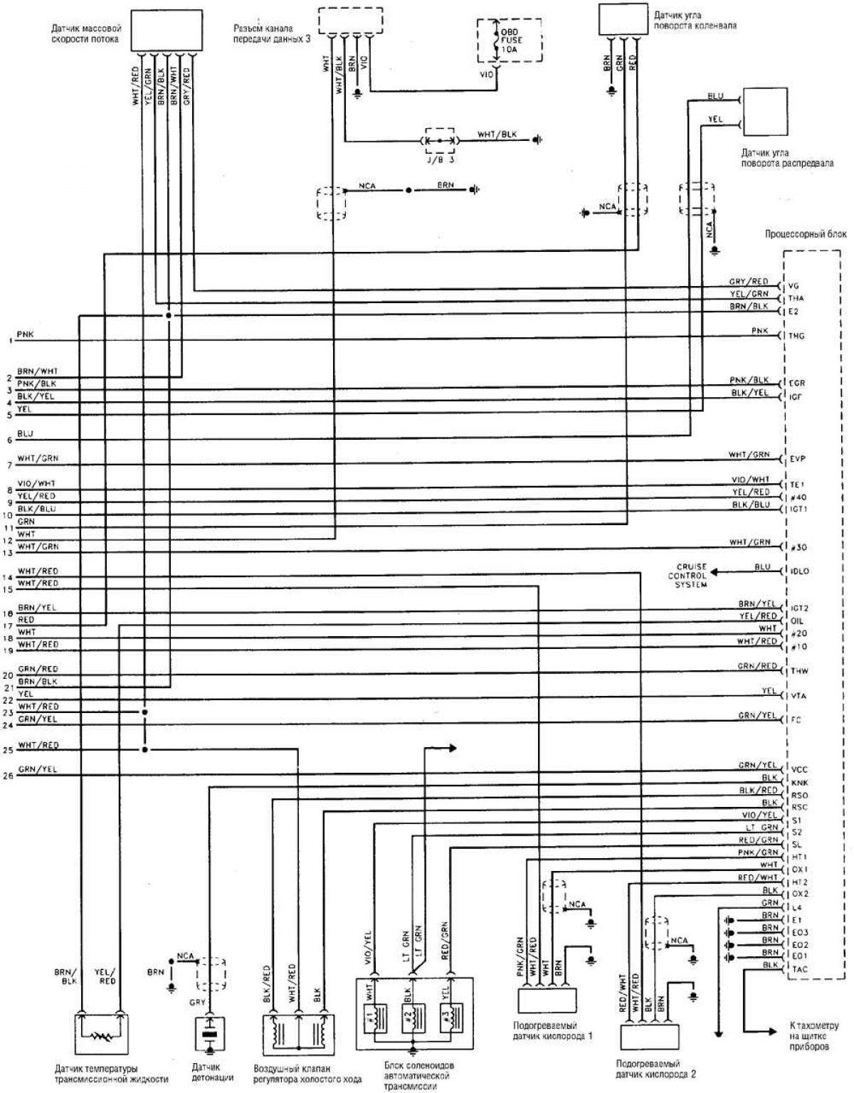
Типовая схема электрооборудования 4-цилиндрового двигателя

Открыть большую картинку в новой вкладке »

Открыть большую картинку в новой вкладке »

Открыть большую картинку в новой вкладке »
Сокращения, использующиеся на схемах электрооборудования, а также цвета изоляции проводов смотрите здесь →
