Компания Хонда Компания Форд Компания Шкода Компания Киа Компания Мазда Компания Мерседес Компания Рено
Русский English
Български
Беларускі
Український
Српски
Hrvatski
Română
Polski
Slovenský
Magyar
В закладки Статьи Карта Контакты Поиск
ToyotaMan.ru
 
 
 
 
 
 
 
 
 
Camry Corolla Corona Carina Land Cruiser Highlander 4Runner RAV4 Другие
Крузер 100 (1998-2007) Крузер 60/80 (1980-1997, бензин) Крузер 70 (1985-1996, дизель)

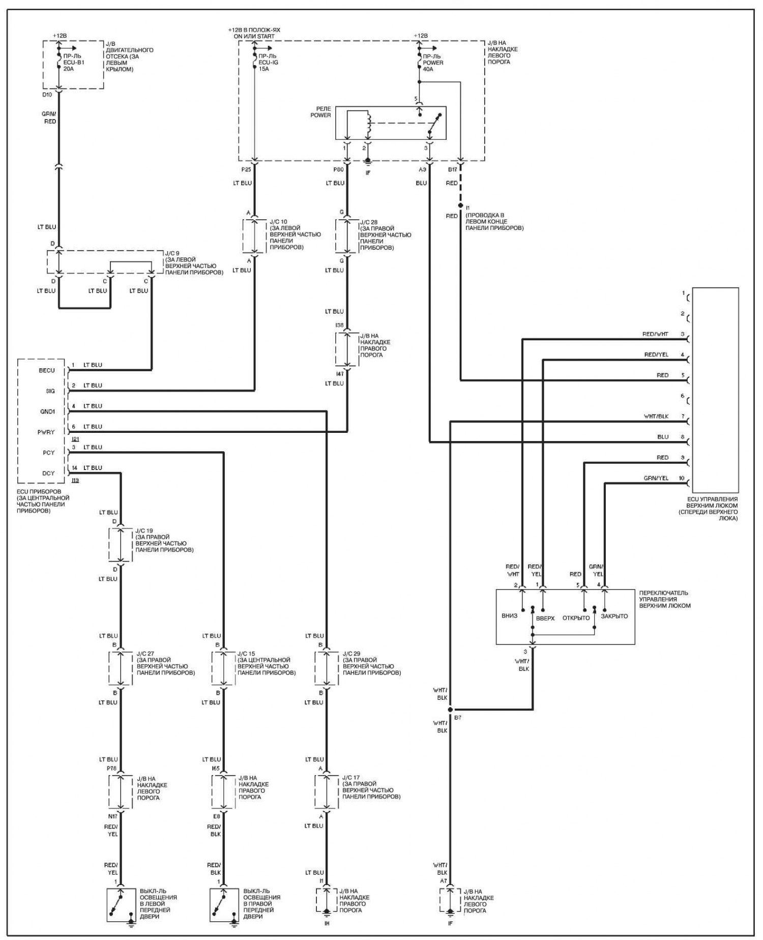
Электросхема верхнего люка [Toyota Land Cruiser J100]

  • Главная
  • Ленд Крузер
  • J100 (1998-2007)
  • Электрооборудование
  • Электрические схемы
  • Электросхема верхнего люка
0

Верхний люк



Открыть большую картинку в новой вкладке »
Открыть большую картинку в новой вкладке »

Обозначения цвета изоляции проводов, обозначения, аббревиатуры и сокращения на электрических схемах смотрите здесь →

(Смотрите полный текст на портале: «www.TOYOTAMAN.ru»)
Эта статья доступна на: английском, болгарском, белорусском, украинском, сербском, хорватском, румынском, польском, словацком, венгерском
Материал статьи был проверен: Евдокимов Евгений
Поделитесь информацией:
◀ Предыдущие
Крузер 100: Электрические схемы
Следующие ▶

Электросхема электропривода сидений
Электросхема подогрева сидений
Электросхема аудиосистемы, без системы навигации
Электросхема аудиосистемы, с системой навигации
Электросхема системы навигации
Электросхема стеклоподъемников
Электросхема обогрева зеркал
Электросхема обогрева заднего стекла
Электросхема системы дополнительной безопасности (SRS)
Электросхема клаксона
Похожие статьи по другим моделям Тойота

➥ Электросхема запуска, радио и люка Тойота Камри XV10 (1991-1996)
➥ Электросхема электропривода люка Тойота Карина Т190 (1992-1996)
➥ Электросхема стартера (модели с МКПП) Тойота Дуэт (1998-2004)
➥ Подъемно-сдвижная панель люка крыши Тойота РАВ 4 ХА10 (1994-2000)
➥ Электросхема сигнала заднего хода Тойота 4 Раннер N120 (1989-1995)
➥ Проверка и регулировка сдвижного люка Тойота Королла Е80 (1983-1990)
Ссылка в разных форматах на эту статью
TEXTHTMLBB Code
Комментарии и отзывы посетителей
Комментариев пока нет


Сложите два числа 50 + 18

       





Крузер 100 (1998-2007) 
  • Общая информация
  • Введение в руководство
  • Органы управления и приборы
  • Техническое обслуживание
  • Силовой агрегат
  • Бензиновые двигатели
  • Дизельные двигатели
  • Охлаждение и отопление
  • Системы питания и выпуска
  • Электрооборудование двигателя
  • Системы управления двигателем
  • Трансмиссия
  • Автоматическая коробка
  • Трансмиссионная линия
  • Шасси, ходовая часть
  • Тормозная система
  • Подвеска автомобиля
  • Рулевое управление
  • Кузов и салон
  • Экстерьер (наружные элементы)
  • Интерьер (внутренние элементы)
  • Двери, замки и окна
  • Электрооборудование
  • Оборудование и приборы
  • Электрические схемы
Крузер 60/80 (1980-1997, бензин) 
  • Общая информация
  • Руководство по эксплуатации
  • Техническое обслуживание
  • Силовой агрегат
  • Бензиновые двигатели 2F и 3F-E
  • Бензиновые двигатели 1FZ-FE
  • Капремонт двигателей
  • Электрооборудование двигателя
  • Охлаждение и отопление
  • Топливная система (карбюратор)
  • Топливная система (инжектор)
  • Система снижения токсичности
  • Трансмиссия
  • Коробка передач
  • Сцепление
  • Раздаточная коробка
  • Приводные валы и мосты
  • Шасси, ходовая часть
  • Тормозная система
  • Подвеска автомобиля
  • Рулевое управление
  • Кузов и салон
  • Экстерьер и интерьер
  • Двери, замки и окна
  • Электрооборудование
  • Оборудование и приборы
  • Электрические схемы
Крузер 70 (1985-1996, дизель) 
  • Общая информация
  • Руководство по эксплуатации
  • Техническое обслуживание
  • Силовой агрегат
  • Регулировка двигателя
  • Ремонт двигателя
  • Топливная система
  • Система управления
  • Система турбонаддува
  • Система охлаждения и смазки
  • Система заряда и пуска
  • Трансмиссия
  • Сцепление
  • Механическая коробка
  • Автоматическая коробка
  • Раздаточная коробка
  • Шасси, ходовая часть
  • Подвеска автомобиля
  • Тормозная система
  • Рулевое управление
  • Кузов и салон
  • Элементы кузова
  • Отопление и кондиционер
  • Электрооборудование
  • Оборудование и приборы
  • Электрические схемы
Автомобильный анекдот
показать ещё один
ToyotaMan.ru © 2018–2025 • Мобильная версия • Интересное о Тойоте • Администрация • Карта сайта: EN BG BY UA RS HR RO PL SK HU • Система поиска • В закладки
Camry Vista-V40 • Camry XV10 • Camry XV20 • Camry XV30 • Corolla Verso-AR10 • Corolla E80 • Corona T190 • Carina T170 • Carina T190 • Land Cruiser J70 (дизель) • Land Cruiser J60 (бензин) • Land Cruiser J100 • Highlander XU20 (бензин) • 4Runner N120 • RAV4 XA10 • Duet M100 • Dyna Y50 • Автомобильные новости • Ремонт японских автомобилей • Обслуживание японских авто • Гидравлические АКПП Тойота • Электронные АКПП Тойота • Правила безопасного вождения