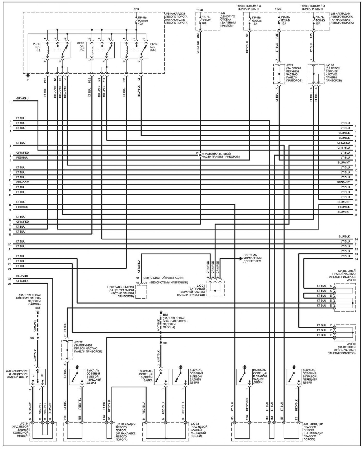
Система замков

Открыть большую картинку в новой вкладке »

Открыть большую картинку в новой вкладке »

Открыть большую картинку в новой вкладке »
Обозначения цвета изоляции проводов, обозначения, аббревиатуры и сокращения на электрических схемах смотрите здесь →
