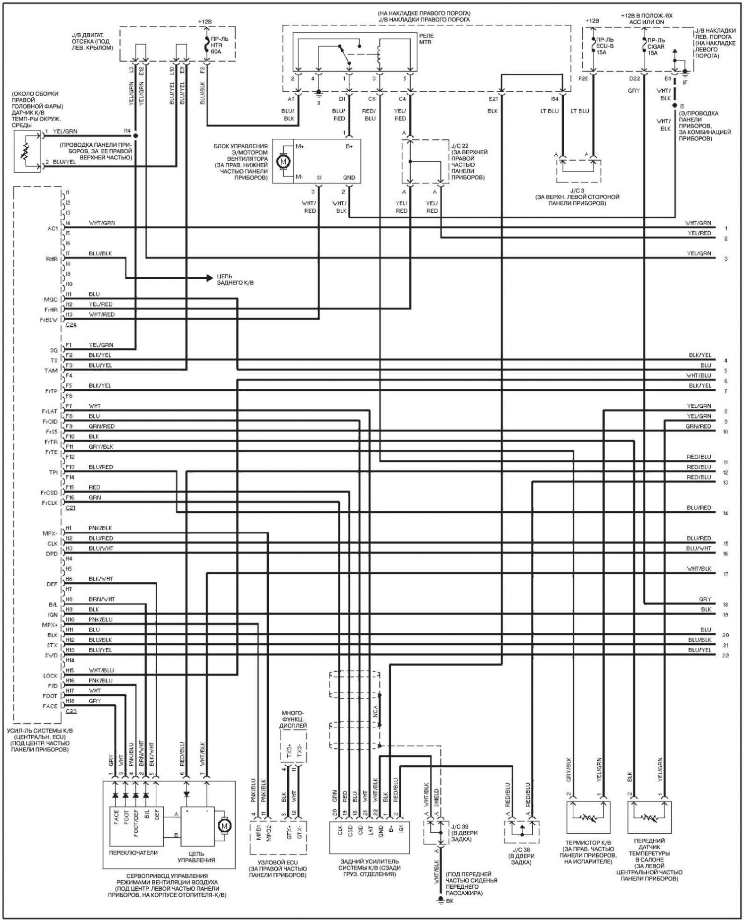
Передний К/В, с системой навигации

Открыть большую картинку в новой вкладке »

Открыть большую картинку в новой вкладке »
Обозначения цвета изоляции проводов, обозначения, аббревиатуры и сокращения на электрических схемах смотрите здесь →
(Оригинал можно изучить на сайте: «ToyotaMan.ru»)
