Оглавление: Проверка системы облегчения пуска ↓ 2L-T (тип 1) ↓ Проверка цепи таймера (тип 1) ↓ Проверка датчика температуры…↓ Система облегчения пуска без…↓
Проверка системы облегчения пуска
Проверьте длительность свечения индикаторной лампы свечей накаливания. Поверните ключ стартера в положение ON, измерьте длительность свечения лампы.

Проверка таймера (тип 1)
Проверьте цепи таймера.
Отключите разъем таймера; проверьте цепи со стороны жгута проводов в соответствии с таблицей №1.

Проверка таймера (тип 2)
Проверьте цепи таймера.
Отключите разъем таймера; проверьте цепи со стороны жгута проводов в соответствии с таблицей №2.

Проверка реле №1 свечей накаливания
Место расположения - в отсеке двигателя, слева.

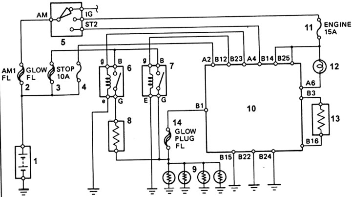
2L-T (тип 1)
Схема облегчения пуска: 1 - аккумуляторная батарея; 2, 3, 8 - плавкие вставки; 4 - замок зажигания; 5 - реле №2 свечей накаливания; 6 - реле №1 свечей накаливания; 7 - резистор свечей накаливания; 9 - свечи накаливания; 10 - таймер системы облегчения пуска; 11 - предохранитель; 12 - индикатор свечей накаливания; 13 - датчик температуры охлаждающей жидкости
Проверка цепи таймера (тип 1)
Проверка цепи таймера (тип 2)
1. Проверьте цепи реле.
а) Используя омметр, проверьте наличие проводимости между клеммами Е и G.
б) Проверьте отсутствие проводимости цепи между клеммами В и G.
Если состояние цепей не соответствует заданному, то замените реле.

2. Проверьте работу реле.
а) Подайте напряжение от аккумуляторной батареи к клеммам Е и G.
б) Используя омметр, проверьте наличие проводимости между клеммами В и G.
Если работа реле не соответствует заданной, то замените реле.

Проверка реле №2 свечей накаливания
Место расположения - в моторном отсеке, слева.

1. Проверьте цепи реле.
а) Используя омметр, проверьте наличие проводимости между клеммами Е и G.
б) Проверьте отсутствие проводимости между клеммами В и G. Если состояние цепей не соответствует заданному, то замените реле.

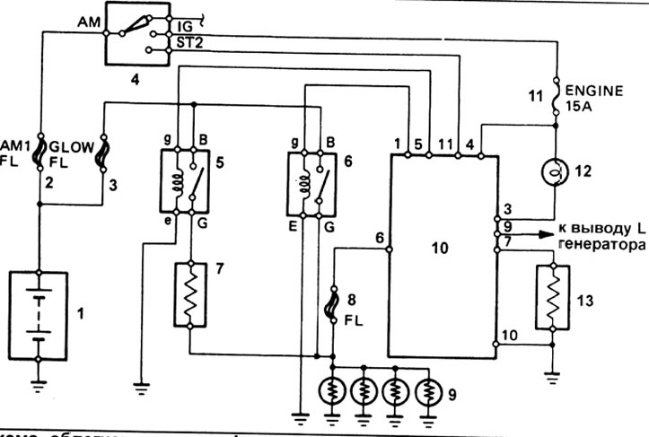
2L-T (тип 2)
Схема облегчения пуска: 1 - аккумуляторная батарея; 2, 3, 14 - плавкие вставки; 4, 11 - предохранители; 5 - замок зажигания; 6 - реле №2 свечей накаливания; 7 - реле №1 свечей накаливания; 8 - резистор свечи накаливания; 9 - свечи накаливания; 10 - таймер системы облегчения пуска встроенный в блок управления токсичностью ОГ; 12 - индикатор свечи накаливания; 13 - датчик температуры охлаждающей жидкости.
2. Проверэте работу реле.
а) Подайте напряжение от аккумуляторной батареи на клеммы Е и G.
б) Используя омметр, проверьте наличие проводимости между клеммами В и G.
Если работа реле не соответствует заданной, то замените реле.

Проверка свечей накаливания
Проверьте наличие проводимости между клеммой свечи накаливания и землей. Если проводимость отсутствует, то замените свечу накаливания.

Внимание: не повредите защитный кожух свечи накаливания, т.к. это может вызвать обрыв цепи или сократить срок службы свечи. Не допускайте попадания масла и бензина на свечи накаливания, удалите следы масла с клеммы свечи и с бакелитовой шайбы сухой тканью.
Не подавать на свечу напряжение более 7 В, т.к. это может вызвать перегорание свечи.

На двигателях 1KZ-T свечи керамические. Не следует снимать свечи без крайней необходимости. Если свеча упадет или подвергнется удару - замените свечу.

Проверка резистора свечей накаливания
Проверьте наличие проводимости между клеммами резистора, Если проводимости нет, то замените резистор.

Проверка датчика температуры охлаждающей жидкости
Проверьте состояние датчика температуры.
Используя омметр, измерьте сопротивление между клеммами датчика.
(Оригинальный текст размещён на: ToyotaMan.ru)
Если сопротивление не соответствует заданному, то замените датчик.
Система облегчения пуска без последовательного сопротивления (3L)
Проверка системы подогрева
Проверьте время свечения светового индикатора свечей накаливания.
Приведите выключатель стартера в положение "ON", и измерьте время свечения индикатора. Время свечения: примерно 6 секунд.
