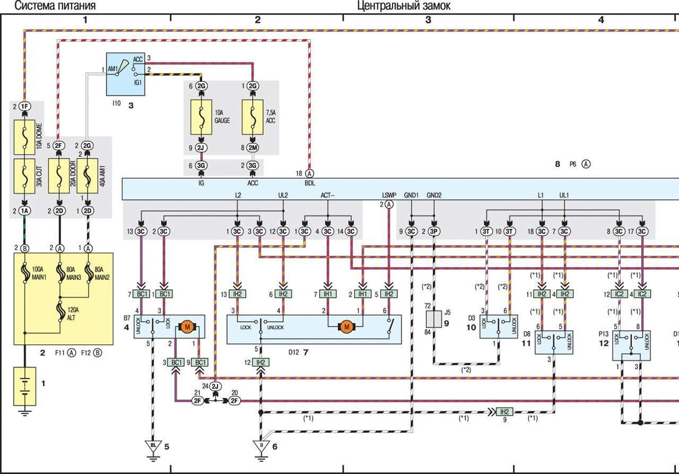
Схема 20. Центральный замок моделей с 2001 года (часть 1-я из 2)

Открыть большую картинку в новой вкладке »
Схема 21. Центральный замок моделей с 2001года (часть 2-я из 2)

Открыть большую картинку в новой вкладке »
[Оригинальный текст размещён на: TOYOTAMAN.ru]
