Компания Хонда Компания Форд Компания Шкода Компания Киа Компания Мазда Компания Мерседес Компания Рено
Русский English
Български
Беларускі
Український
Српски
Hrvatski
Română
Polski
Slovenský
Magyar
В закладки Статьи Карта Контакты Поиск
ToyotaMan.ru
 
 
 
 
 
 
 
 
 
Camry Corolla Corona Carina Land Cruiser Highlander 4Runner RAV4 Другие
РАВ 4 ХА10 (1994-2000)

Вентилятор радиатора системы охлаждения моделей до 2001 года [Toyota RAV4 XA10]

  • Главная
  • РАВ 4
  • XA10 (1994-2000)
  • Электрооборудование
  • Электрические схемы
  • Вентилятор радиатора системы охлаждения моделей до 2001 года
0

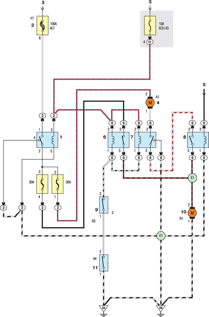
Схема 31. Вентилятор радиатора системы охлаждения моделей до 2001 года



Схема 31. Вентилятор радиатора системы охлаждения моделей до 2001 года
Эта статья доступна на: английском, болгарском, белорусском, украинском, сербском, хорватском, румынском, польском, словацком, венгерском
Материал статьи был проверен: Колокольцев Григорий
Поделитесь информацией:
◀ Предыдущие
РАВ 4 ХА10: Электрические схемы
Следующие ▶

Радиоприемник: 1 – левый высокочастотный динамик
Обогреватель заднего стекла моделей с 2001 года
Обогреватель заднего стекла моделей 1996–2000 годов
Очистители и омыватели стекол
Блокировка дифференциала на моделях 4WD с МКПП моделей 1998–2000 годов
Вентилятор радиатора системы охлаждения моделей с 2001 года
Похожие статьи по другим моделям Тойота

➥ Вентилятор радиатора системы охлаждения и кондиционер… Тойота Карина Т190 (1992-1996)
➥ Вентилятор системы охлаждения, отопитель, кондиционер (с… Тойота Дуэт (1998-2004)
➥ Снятие и установка радиатора и расширительного бачка… Тойота Крузер 100 (1998-2007)
➥ Описание системы охлаждения Тойота Корона Т190 (1992-1997)
➥ Проверка системы охлаждения Тойота 4 Раннер N120 (1989-1995)
➥ Обслуживание системы охлаждения — слив, промывка и заправка… Тойота Хайлендер 1 (2000-2007, бензин)
Ссылка в разных форматах на эту статью
TEXTHTMLBB Code
Комментарии и отзывы посетителей
Комментариев пока нет


Сложите два числа 46 + 30

       





РАВ 4 ХА10 (1994-2000) 
  • Общая информация
  • Руководство по эксплуатации
  • Техническое обслуживание
  • Силовой агрегат
  • Бензиновый двигатель 3S-FE
  • Бензиновый двигатель 1AZ-FE
  • Капремонт двигателей
  • Охлаждение и кондиционер
  • Топливная и выхлопная система
  • Система зажигания
  • Система снижения токсичности
  • Трансмиссия
  • Сцепление
  • Механическая коробка
  • Автоматическая коробка
  • Кардан и приводные валы
  • Шасси, ходовая часть
  • Тормозная система
  • Подвеска автомобиля
  • Рулевое управление
  • Кузов и салон
  • Экстерьер (внешние элементы)
  • Интерьер (внутренние элементы)
  • Двери, замки и окна
  • Электрооборудование
  • Оборудование и приборы
  • Силовые устройства
  • Электрические схемы
Автомобильный анекдот
показать ещё один
ToyotaMan.ru © 2018–2025 • Мобильная версия • Интересное о Тойоте • Администрация • Карта сайта: EN BG BY UA RS HR RO PL SK HU • Система поиска • В закладки
Camry Vista-V40 • Camry XV10 • Camry XV20 • Camry XV30 • Corolla Verso-AR10 • Corolla E80 • Corona T190 • Carina T170 • Carina T190 • Land Cruiser J70 (дизель) • Land Cruiser J60 (бензин) • Land Cruiser J100 • Highlander XU20 (бензин) • 4Runner N120 • RAV4 XA10 • Duet M100 • Dyna Y50 • Автомобильные новости • Ремонт японских автомобилей • Обслуживание японских авто • Гидравлические АКПП Тойота • Электронные АКПП Тойота • Правила безопасного вождения