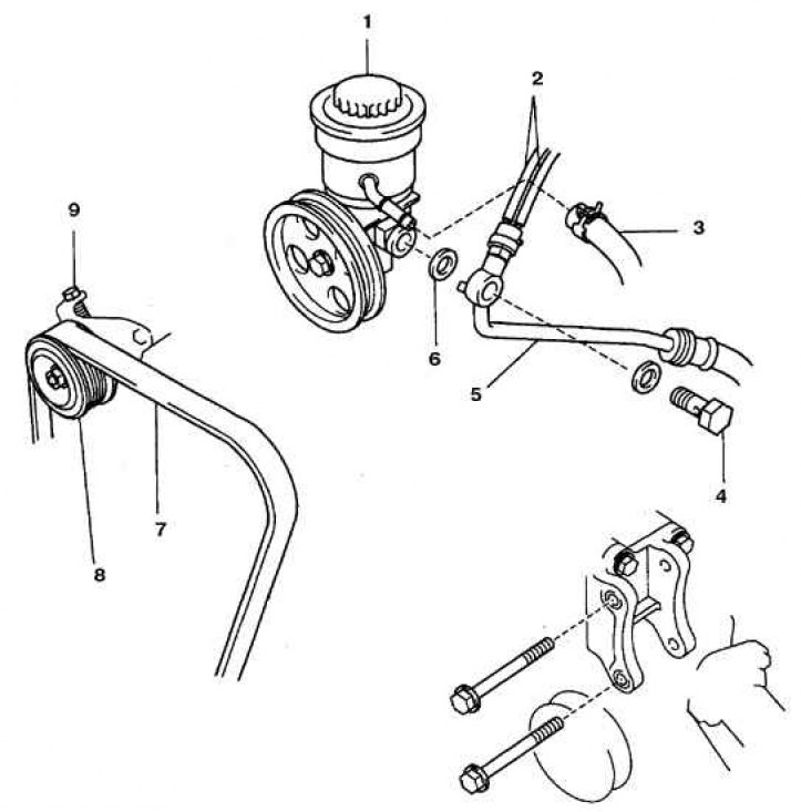
Насос гидроусилителя 4-цилиндрового двигателя
1. Насос; 2. Вакуумный шланг; 3. Обратный шланг; 4. Болт крепления штуцера; 5. Напорная трубка; 6. Прокладка; 7. Ремень; 8. Промежуточный шкив; 9. Регулировочный болт
Насос гидроусилителя двигателя V6
1. Насос; 2. Ремень; 3. Обратный шланг; 4. Болт крепления штуцера; 5. Напорная трубка; 6. Датчик давления; 7. Разъем
Снятие и установка
1. Отсоедините батарею от массы.
2. Снимите ремень насоса.

3. Снимите хомут и отсоедините от насоса обратный шланг.

4. Отверните болт кольцевого штуцера и отсоедините напорную трубку.
5. Если насос меняется, то рекомендуется снять шкив.

6. Зафиксируйте шкив, отверните гайку и снимите шкив.
7. Отверните болты (гайки) и осторожно снимите насос.
Текст цитируется с сайта-источника [toyotaman]
8. Установка выполняется в обратном порядке.
9. Удалите воздух из гидроусилителя.
