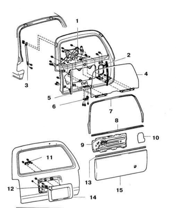
Конструкция двери задка
1 - Регулятор стеклоподъемника; 2 - Правая направляющая стеклоподъемника; 3 - Упор двери; 4 - Заднее стекло; 5 - Левая направляющая стеклоподъемника; 6 - Замок двери; 7 - Направляющая лента облицовки оконного проема; 8 - Наружная уплотнительная лента; 9 - Крышка сервисного отверстия; 10 - Пластина; 11 - Коленчатый рычаг привода защелки; 12 - Цилиндр замка; 13 - Внутренняя уплотнительная лента; 14 - Облицовочная панель номерного знака; 15 - Панель обивки двери задка
1. Отсоедините отрицательный провод от батареи.
Внимание! Если установленная на автомобиле стереосистема оборудована охранным кодом, прежде чем отсоединять батарею удостоверьтесь в том, что располагаете правильной комбинацией для ввода аудиосистемы в действие!
2. По желанию дверь задка может быть снята с автомобиля (см. Раздел Снятие, установка и регулировка двери задка).
3. Снимите петельную поручневую рукоятку двери задка, Сняв ее панель и вывернув болт крепления.
Статья была скопирована с портала Toyotaman.ru
4. Отпустите десять фиксаторов крепления панели внутренней обивки двери. Отсоедините электропроводку и выверните винты крепления крышки сервисного отверстия (обратитесь к иллюстрации выше).
5. Снимите направляющую ленту облицовки оконного проема двери задка.

6. Отсоедините оставшуюся электропроводку, выньте стекло и снимите сборку регулятора стеклоподъемника (обратитесь к сопроводительной иллюстрации).
7. Установка производится в обратном порядке.
