Примечание. Ввиду значительности веса сборки двери задка разумно будет заручиться помощью ассистента.
Конструкция двери задка
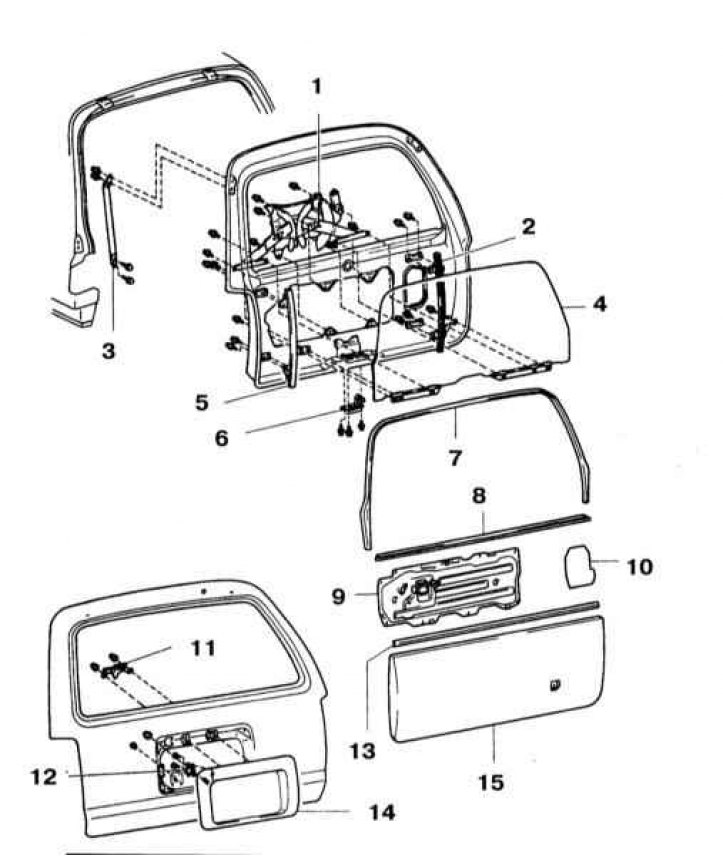
1 - Регулятор стеклоподъемника; 2 - Правая направляющая стеклоподъемника; 3 - Упор двери; 4 - Заднее стекло; 5 - Левая направляющая стеклоподъемника; 6 - Замок двери; 7 - Направляющая лента облицовки оконного проема; 8 - Наружная уплотнительная лента; 9 - Крышка сервисного отверстия; 10 - Пластина; 11 - Коленчатый рычаг привода защелки; 12 - Цилиндр замка; 13 - Внутренняя уплотнительная лента; 14 - Облицовочная панель номерного знака; 15 - Панель обивки двери задка
1. Отсоедините отрицательный провод от батареи.
Внимание! Если установленная на автомобиле стереосистема оборудована охранным кодом, прежде чем отсоединять батарею удостоверьтесь в том, что располагаете правильной комбинацией для ввода аудиосистемы в действие!
2. Откройте дверь задка и надежно зафиксируйте ее в поднятом положении. Снимите упоры двери (обратитесь к иллюстрации выше).
3. Отсоедините электропроводку, проложенную между дверью задка и кузовом автомобиля. Для этого высвободите проходную втулку и рассоедините контактные разъемы.

4. Обведите петельные планки маркером и выверните болты их крепления (обратитесь к сопроводительной иллюстрации). С помощью ассистента снимите сборку двери задка с автомобиля.
5. Установка производится в обратном порядке.

6a. Для замены замка необходимо снять панель внутренней обивки двери, крышку сервисного окна, направляющую ленту облицовки оконного проема, облицовочную, уплотнительную ленту, стекло, регулятор стеклоподъемника и направляющие желоба (см. Раздел Снятие и установка стекла и регулятора стеклоподъемника двери задка). Снимите коленчатый рычаг дистанционного привода защелки дверного замка (обратитесь к сопроводительной иллюстрации).

6b. Снимите приводной механизм. Облицовочная панель номерного знака крепится к двери задка автомобиля посредством гайки и пяти фиксаторов, отдайте гайку и, поддевая панель, отпустите фиксаторы. Отдайте две крепежные гайки и снимите цилиндр замковой сборки, в случае необходимости отсоединив соответствующую электропроводку. Пройдитесь по исполнительному штоку и отсоедините его, также отсоедините трос привода отпускания замка (обратитесь к сопроводительной иллюстрации).

6c. Выверните три крепежных болта (обратитесь к сопроводительной иллюстрации) и снимите сборку защелки замка двери. Установка производится в обратном порядке.

7a. Смещение двери в продольном направлении производится путем отпускания гаек крепления петельных планок к кузову автомобиля (обратитесь к сопроводительной иллюстрации), далее петли подстукиваются молотком в соответствующую сторону.

7b. Регулировка положения двери в кузовном проеме (вправо-влево, вверх-вниз) производится путем ослабления крепежа петель на дверной раме. Исправность срабатывания защелки достигается за счет корректировки положения ее ударника (обратитесь к сопроводительной иллюстрации). Закончив регулировку, прочно затяните соответствующий крепеж.
