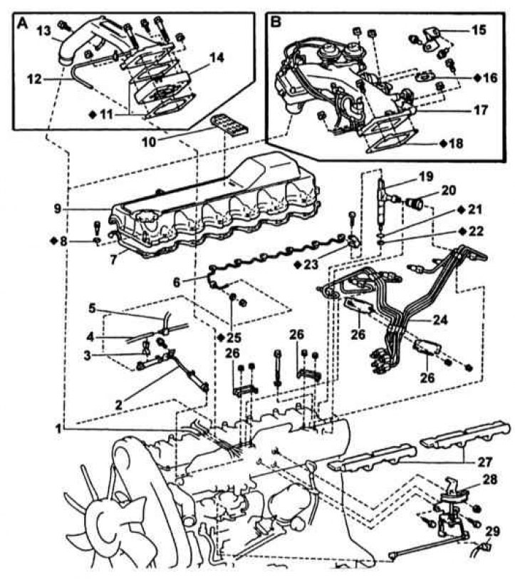
Детали установки форсунок
1, 5 - Вакуумный шланг (модели с системой EGR); 2 - Возвратная топливная трубка форсунки №3; 3, 26 - Зажим; 4, 12 - Вакуумный шланг; 6 - Возвратная топливная трубка форсунки №1; 7, 11, 16, 18, 23, 25 - Прокладка; 8 - Уплотнительная шайба; 9 - Крышка головки цилиндров; 10, 27 - Термозащитный экран; 13 - Впускной трубопровод; 14 - Подогреватель на впуске; 15 - Кронштейн клапана EGR; 17 - Сборка впускного трубопровода; 19 - Форсунка; 20 - Переходник; 21 - Уплотнительное кольцо; 22 - Седло форсунки; 24 - Топливные трубки высокого давления; 28 - Сборка привода дроссельной заслонки; 29 - Разъем датчика положения педали газа; А - Без системы EGR; B, С - системой EGR; 15 - Кронштейн клапана EGR; 17 - Сборка впускного трубопровода; 19 - Форсунка; 20 - Переходник; 21 - Уплотнительное кольцо; 22 - Седло форсунки; 24 - Топливные трубки высокого давления; 28 - Сборка привода дроссельной заслонки; 29 - Разъем датчика положения педали газа; А - Без системы EGR; B, С - системой EGR
1. Снимите впускной парубок
2. Снимите крышку головки цилиндров
3. Отсоедините разъем датчика положения педали газа и снимите сборку привода дроссельной заслонки.
4. Снимите возвратную топливную трубку форсунки №1 и трубки высокого давления.
5. Снимите переходники между форсунками и трубками высокого давления с головки цилиндров.
6. Выверните болт крепления прижима форсунки.
7. Выньте форсунку с седлом из головки цилиндров.
8. Снимите с форсунки уплотнительные кольца
9. Установка производится в обратном порядке. Затягивайте крепеж с требуемым усилием.
