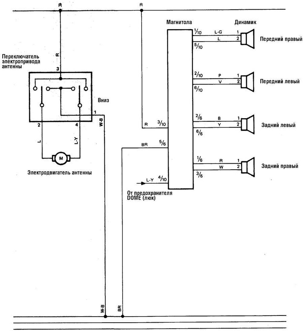
Аудиосистема, электрооборудование системы охлаждения (а/м 1988-90 гг.)

Открыть большую картинку в новой вкладке »

Открыть большую картинку в новой вкладке »
Обозначения цвета изоляции проводов смотрите здесь →
Смотрите полный текст на портале Toyotaman.ru
