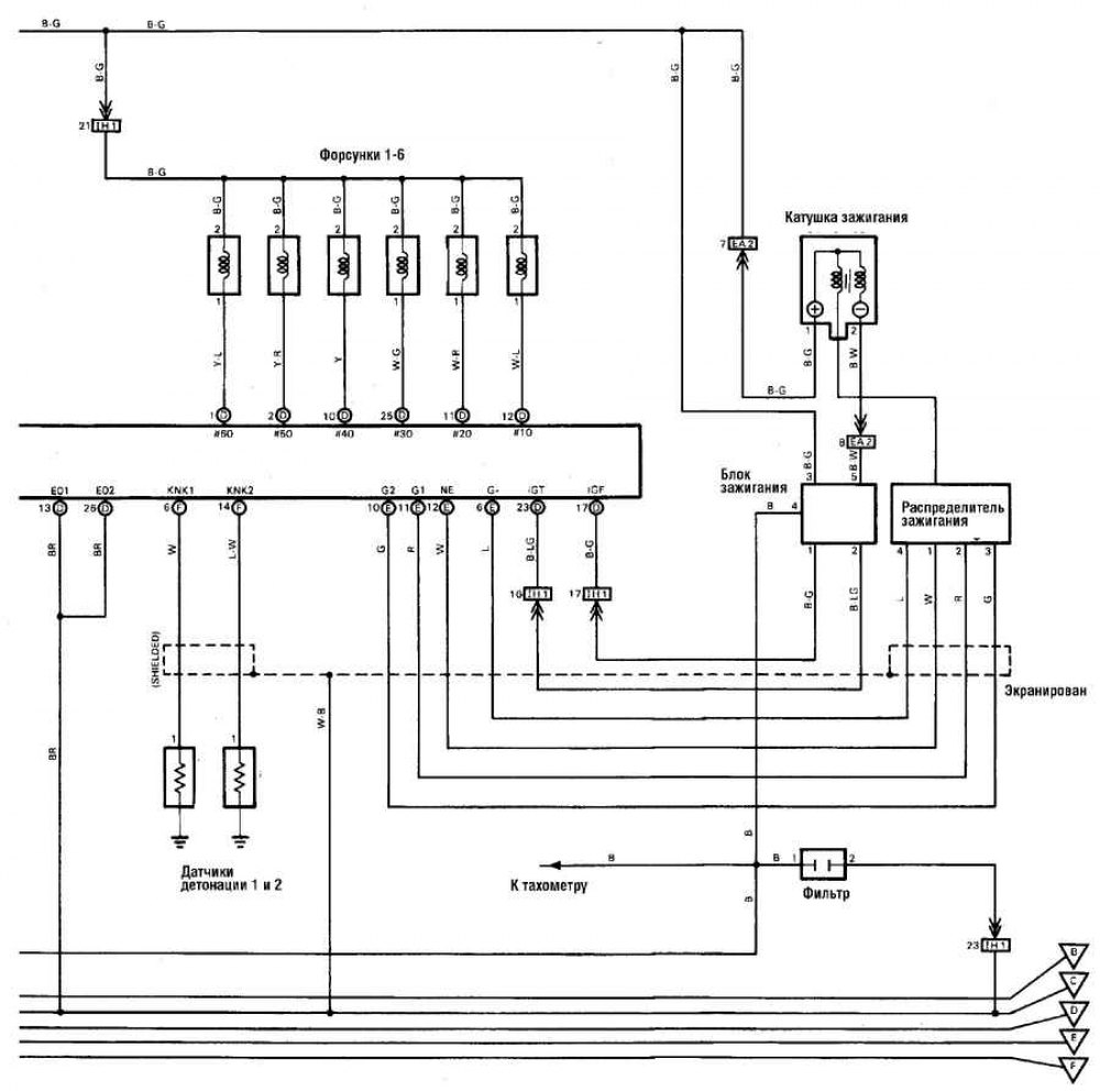
Схема управления двигателем (с 1989 г.)

Открыть большую картинку в новой вкладке »

Открыть большую картинку в новой вкладке »

Открыть большую картинку в новой вкладке »

Открыть большую картинку в новой вкладке »
[Первоисточником является этот веб-сайт toyotaman]
Обозначения цвета изоляции проводов смотрите здесь →
