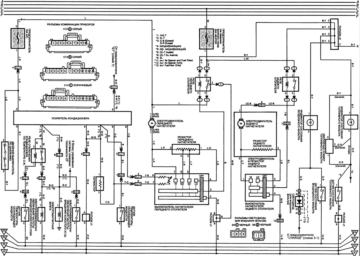
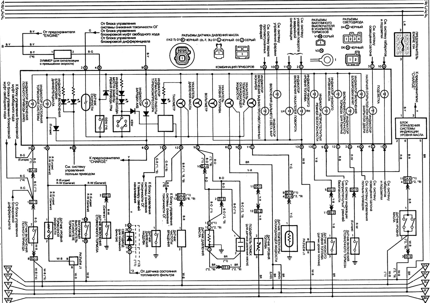
Схема 4: кондиционер и индикаторы на приборной панели [Toyota Land Cruiser J70]
Эта статья доступна на: английском, болгарском, белорусском, украинском, сербском, хорватском, румынском, польском, словацком, венгерском
Материал статьи был проверен: Митрофанова Елена
Поделитесь информацией:
Схема 3: система предпускового подогрева (2L-T, 3L) и система зарядки
Схема 2: система снижения токсичности отработавших газов (модификации 2L-T)
Схема 1: система запуска, звуковой сигнал, привод регулировки положения…
Пояснения к схемам электрооборудования
Схема 2: система снижения токсичности отработавших газов (модификации 2L-T)
Схема 1: система запуска, звуковой сигнал, привод регулировки положения…
Пояснения к схемам электрооборудования
Схема 5: передние и задние стеклоочистители и омыватели, стеклоочистители…
Схема 6: задние противотуманные фонари, стоп-сигналы и система освещения…
Схема 7: передние противотуманные фонари, передние фары, система габаритов…
Схема 8: передние фары, система габаритов и подсветки (модели для Европы)
Схема 9: указатели поворота и аварийная сигнализация
Схема 6: задние противотуманные фонари, стоп-сигналы и система освещения…
Схема 7: передние противотуманные фонари, передние фары, система габаритов…
Схема 8: передние фары, система габаритов и подсветки (модели для Европы)
Схема 9: указатели поворота и аварийная сигнализация
Похожие статьи по другим моделям Тойота
➥ Индикаторные символы на приборной панели Тойота Камри XV20 (1996-2001)
➥ Схема №7: Кондиционер, вентилятор и отопитель, питание,… Тойота Дюна Y50/Y60 (1984-1995)
➥ Тахометр на приборной панели Тойота Королла Е80 (1983-1990)
➥ Снятие и установка нижней левой панели отделки Тойота РАВ 4 ХА10 (1994-2000)
➥ Панели передней облицовки салона Тойота 4 Раннер N120 (1989-1995)
➥ Устройство панели приборов Тойота Карина Т190 (1992-1996)
Ссылка в разных форматах на эту статью
Комментарии и отзывы посетителей
Комментариев пока нет
- Общая информация
- Введение в руководство
- Органы управления и приборы
- Техническое обслуживание
- Силовой агрегат
- Бензиновые двигатели
- Дизельные двигатели
- Охлаждение и отопление
- Системы питания и выпуска
- Электрооборудование двигателя
- Системы управления двигателем
- Трансмиссия
- Автоматическая коробка
- Трансмиссионная линия
- Шасси, ходовая часть
- Тормозная система
- Подвеска автомобиля
- Рулевое управление
- Кузов и салон
- Экстерьер (наружные элементы)
- Интерьер (внутренние элементы)
- Двери, замки и окна
- Электрооборудование
- Оборудование и приборы
- Электрические схемы
- Общая информация
- Руководство по эксплуатации
- Техническое обслуживание
- Силовой агрегат
- Бензиновые двигатели 2F и 3F-E
- Бензиновые двигатели 1FZ-FE
- Капремонт двигателей
- Электрооборудование двигателя
- Охлаждение и отопление
- Топливная система (карбюратор)
- Топливная система (инжектор)
- Система снижения токсичности
- Трансмиссия
- Коробка передач
- Сцепление
- Раздаточная коробка
- Приводные валы и мосты
- Шасси, ходовая часть
- Тормозная система
- Подвеска автомобиля
- Рулевое управление
- Кузов и салон
- Экстерьер и интерьер
- Двери, замки и окна
- Электрооборудование
- Оборудование и приборы
- Электрические схемы
- Общая информация
- Руководство по эксплуатации
- Техническое обслуживание
- Силовой агрегат
- Регулировка двигателя
- Ремонт двигателя
- Топливная система
- Система управления
- Система турбонаддува
- Система охлаждения и смазки
- Система заряда и пуска
- Трансмиссия
- Сцепление
- Механическая коробка
- Автоматическая коробка
- Раздаточная коробка
- Шасси, ходовая часть
- Подвеска автомобиля
- Тормозная система
- Рулевое управление
- Кузов и салон
- Элементы кузова
- Отопление и кондиционер
- Электрооборудование
- Оборудование и приборы
- Электрические схемы
Автомобильный анекдот
показать ещё один


