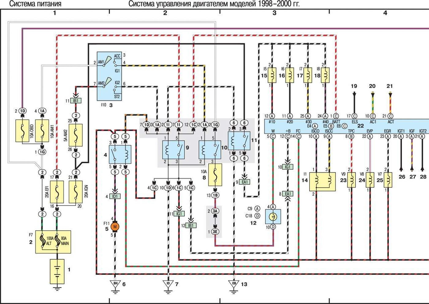
Схема 2. Система управления двигателем моделей 1998–2000 гг. (часть 1-я из 2)

Открыть большую картинку в новой вкладке »
Схема 3. Система управления двигателем моделей 1998–2000 гг. (часть 2-я из 2)

Открыть большую картинку в новой вкладке »
(Статья заимствована с веб-ресурса: www.ToyotaMAN.ru)
