Оглавление: Регулировка ↓ Замена ↓
Регулировка
Если запуск двигателя возможен в любом другом положении, кроме «P» и «N», отрегулируйте выключатель блокировки стартера.
Затяните стояночный тормоз и заблокируйте задние колеса. Поднимите переднюю часть автомобиля и установите ее на опоры. Снимите брызговик моторного отсека.
Установите рычаг селектора в салоне автомобиля в положение «N».
Ослабьте болты крепления выключателя блокировки стартера.
Установите рычаг выбора передач на коробке передач в положение «N».
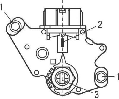
Рис. 9.23. Совмещение линии (1) на выключателе блокировки стартера с канавкой (2) на валу рычага выбора передач на моделях с одним ведущим мостом выпуска 1996 и 1997 годов и полноприводных моделях с 1996 по 2001 год
Рис. 9.24. Совмещение линии (2) на выключателе блокировки стартера с канавкой (3) на валу рычага выбора передач и расположение болтов (1) крепления выключателя на моделях выпуска с 2001 года
Совместите линию на выключателе блокировки стартера с канавкой на валу рычага выбора передач (рис. 9.23, 9.24).
(Данный материал взят с ресурса: ToyotaMAN)
Затяните болты крепления выключателя блокировки стартера и проверьте его работу. Если пуск двигателя по-прежнему возможен в любом другом положении, кроме «P» и «N», замените выключатель.
Замена
Выключите зажигание и отсоедините провод «массы» от аккумуляторной батареи.
Затяните стояночный тормоз и заблокируйте задние колеса. Поднимите переднюю часть автомобиля и установите ее на опоры. Снимите брызговик моторного отсека.
Установите рычаг селектора в салоне автомобиля в положение «N».
Отверните гайки и снимите рычаг выбора передач с вала коробки передач.
Отсоедините электрический разъем от выключателя.
Выверните болты и снимите выключатель с вала выбора передач коробки передач.
Совместите линию на выключателе с канавкой на валу выбора передач и установите выключатель на вал.
Поверните выключатель до совмещения линии на выключателе блокировки стартера с канавкой на валу рычага выбора передач (см. рис. 9.23, 9.24). Затяните болты крепления выключателя и подсоедините к нему электрический разъем.
Установите на вал рычаг выбора передач и подсоедините провод «массы» к аккумуляторной батарее. Проверьте работу выключателя. Пуск двигателя должен быть возможен только в положении селектора «P» и «N».
