Типовое расположение тросов управления блоком кондиционирования
1. Трос заслонки воздухопритока
2. Трос смесительной заслонки
3. Трос управления потоком вентиляции
Снятие
1. Отсоедините батарею от массы.
2. Снимите облицовку центральной панели (см. подраздел 10.23).

3. Снимите рукоятки.
4. Отверните винты панели управления.
5. Подайте панель на себя, поверните флажки и отсоедините тросы, отсоедините разъемы.
Установка
1. Сборка выполняется в обратном порядке.
2. Отрегулируйте тросы.
3. Проверьте работу отопителя.
Регулировка
Регулировка заслонки воздухопритока
1. Зажим
2. Положение FRESH (полностью открыта)
3. Положение RECIRC (полностью закрыта)
Регулировка троса смесительной заслонки
1. Зажим
2. Положение COOL/ положение WARM
Регулировка троса режима обогрева
1. Зажим
2. Положение FACE (на лицо)
3. Положение DEF
1. Переведите рукоятки управления в положения RECIRC, COOL, DEF.
2. Для регулировки троса заслонки воздухопритока переведите рычаг в положение FRESH, присоедините трос и затяните зажим (см. рис. Регулировка заслонки воздухопритока).
3. Для регулировки троса управления смесительной заслонкой переведите рычаг в положение COOL, присоедините трос и затяните зажим, прижимая оболочку троса (см. рис. Регулировка троса смесительной заслонки).
(Полная статья размещена на сайте: www.ToyotaMan.ru)
4. Для регулировки троса режима обогрева переведите рычаг в положение DEF (размораживание), присоедините трос и затяните зажим (см. рис. Регулировка троса режима обогрева).
Проверка цепи
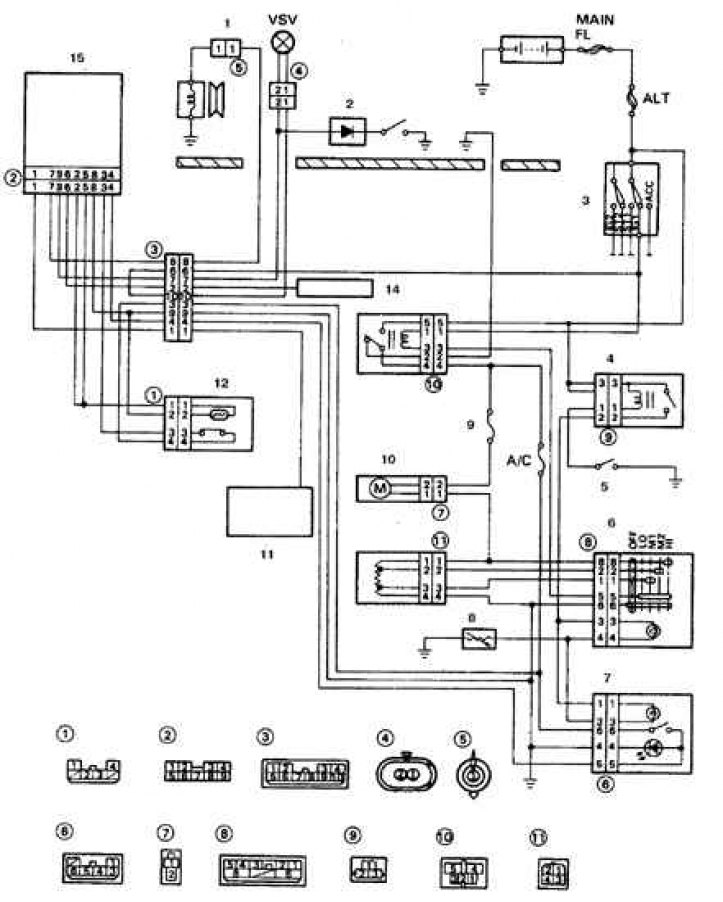
Схема электрооборудования кондиционирования салона
1. Электромагнитная муфта; 2. Процессорный блок управления; 3. Выключатель зажигания; 4. Реле задних фонарей; 5. Выключатель задних фонарей; 6. Выключатель вентилятора; 7. Выключатель кондиционера; 8. Реостат; 9. Предохранитель отопителя; 10. Электродвигатель; 11. Электронный модуль (на автомобилях с а/т); 12. Реле давления и термопереключатель; 13. Главное реле отопителя; 14. Импульсный блок зажигания; 15. Усилитель
Таблица проверки переключателя заднего отопителя
| Положение переключателя | Проверяемые выводы | Показание тестера |
| OFF | Цепи нет | |
| LO | 2 – 3 | Цепь есть |
| HI | 1 – 2 – 3 | Цепи нет |
1. Проверьте переключатель кондиционера по схеме.
