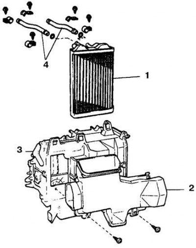
Передний отопитель
1. Радиатор; 2. Вентиляционый канал; 3. Корпус; 4. Трубки
Задний отопитель
1. Передние сиденья; 2. Задняя центральная секция; 3. Задний отопитель; 4, 6. Корпус; 5. Радиатор; 7. Реле; 8. Провода; 9. Резистор; 10. Электродвигатель; 11. Крыльчатка; 12. Задний воздуховод; 13. Панель управления
Внимание! Для доступа к заднему блоку кондиционирования надо снять оба сиденья.
Снятие и установка
1. Слейте жидкость.

2. Отсоедините и заглушите шланги отопителя на перегородке моторного отсека.
3. Снимите центральную секцию, облицовку ящика для мелочей, пепельницу, приемник и переднюю панель (см. подраздел 10.23). Снимите усилительный каркас передней панели.
4. Отсоедините органы управления блоком кондиционирования.
5. Отсоедините разъем и отведите в сторону процессорный блок.
6. Отсоедините от отопителя тросы.
7. Снимите средний вентиляционный канал.
8. Снимите нижний вентиляционный канал.
Материал републикован с онлайн-сайта: TOYOTAMAN
9. Отверните винты крепления трубок к отопителю.
10. Достаньте радиатор, для чего подайте блок максимально на себя и отсоедините все мешающие детали.
11. Сборка выполняется в обратном порядке.
