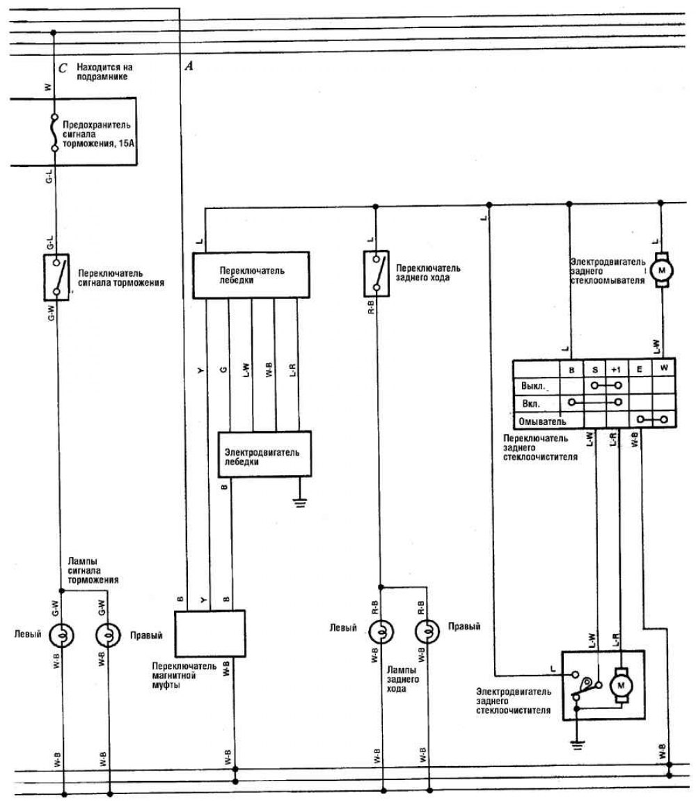
Сигналы торможения, заднего хода, поворота, омыватель заднего стекла (а/м 1980-1987 гг.)

Открыть большую картинку в новой вкладке »
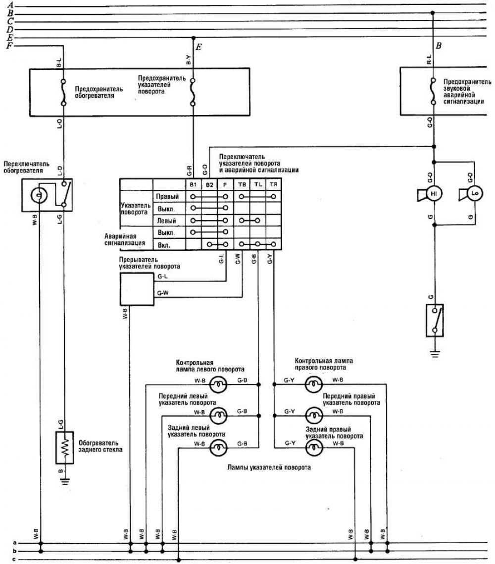
а – соединение с массой находится за блоком предохранителей в салоне
b – соединение с массой находится слева от блока предохранителей в салоне
b – соединение с массой находится слева от блока предохранителей в салоне

Открыть большую картинку в новой вкладке »
Обозначения цвета изоляции проводов смотрите здесь →
(Первоисточник расположен на сайте: ToyotaMan.ru)
