Компания Хонда Компания Форд Компания Шкода Компания Киа Компания Мазда Компания Мерседес Компания Рено
Русский English
Български
Беларускі
Український
Српски
Hrvatski
Română
Polski
Slovenský
Magyar
В закладки Статьи Карта Контакты Поиск
ToyotaMan.ru
 
 
 
 
 
 
 
 
 
Camry Corolla Corona Carina Land Cruiser Highlander 4Runner RAV4 Другие
Крузер 100 (1998-2007) Крузер 60/80 (1980-1997, бензин) Крузер 70 (1985-1996, дизель)

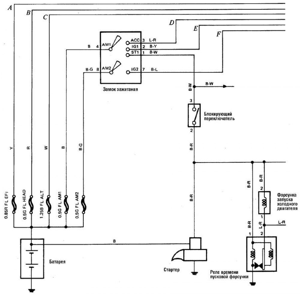
Система пуска двигателя (а/м 1988-90 гг.) [Toyota Land Cruiser J60]

  • Главная
  • Ленд Крузер
  • J60 (1980-1997)
  • Электрооборудование
  • Электрические схемы
  • Система пуска двигателя (а/м 1988-90 гг.)
0

Система пуска двигателя (а/м 1988-90 гг.)



Открыть большую картинку в новой вкладке »
Открыть большую картинку в новой вкладке »

Обозначения цвета изоляции проводов смотрите здесь →
Эта статья доступна на: английском, болгарском, белорусском, украинском, сербском, хорватском, румынском, польском, словацком, венгерском
Материал статьи был проверен: Митрофанова Елена
Поделитесь информацией:
◀ Предыдущие
Крузер 60/80: Электрические схемы
Следующие ▶

Прикуриватель и аудиосистема (а/м 1980-87 гг.)
Омыватель ветрового стекла, задние фонари, внутреннее освещение
Сигналы торможения, заднего хода, поворота, омыватель заднего стекла
Системы отопления, кондиционирования, приборы и аварийная сигнализация
Системы пуска, заряда, зажигания, снижения токсичности и охлаждения
Система управления двигателем и система зажигания (а/м 1988-90 гг.)
Система отопления и кондиционирования, система заряда (а/м 1988-90 гг.)
Система аварийной сигнализации двигателя (а/м 1988-90 гг.)
Стеклоочиститель и стеклоомыватель (а/м 1988-90 гг.)
Аварийная сигнализация и указатели поворота (а/м 1988-90 гг.)
Похожие статьи по другим моделям Тойота

➥ Система пуска двигателя — общие сведения Тойота РАВ 4 ХА10 (1994-2000)
➥ Система иммобилайзера (распознавания кода пуска двигателя) Тойота 4 Раннер N120 (1989-1995)
➥ Система пуска двигателя — описание конструкции Тойота Камри XV20 (1996-2001)
➥ Запуск двигателя — система «KEY FREE» Тойота Дуэт (1998-2004)
➥ Система охлаждения двигателя Тойота Карина Т170 (1988-1992)
➥ Электрическая система двигателя Тойота Хайлендер 1 (2000-2007, бензин)
Ссылка в разных форматах на эту статью
TEXTHTMLBB Code
Комментарии и отзывы посетителей
Комментариев пока нет


Сложите два числа 49 + 43

       





Крузер 100 (1998-2007) 
  • Общая информация
  • Введение в руководство
  • Органы управления и приборы
  • Техническое обслуживание
  • Силовой агрегат
  • Бензиновые двигатели
  • Дизельные двигатели
  • Охлаждение и отопление
  • Системы питания и выпуска
  • Электрооборудование двигателя
  • Системы управления двигателем
  • Трансмиссия
  • Автоматическая коробка
  • Трансмиссионная линия
  • Шасси, ходовая часть
  • Тормозная система
  • Подвеска автомобиля
  • Рулевое управление
  • Кузов и салон
  • Экстерьер (наружные элементы)
  • Интерьер (внутренние элементы)
  • Двери, замки и окна
  • Электрооборудование
  • Оборудование и приборы
  • Электрические схемы
Крузер 60/80 (1980-1997, бензин) 
  • Общая информация
  • Руководство по эксплуатации
  • Техническое обслуживание
  • Силовой агрегат
  • Бензиновые двигатели 2F и 3F-E
  • Бензиновые двигатели 1FZ-FE
  • Капремонт двигателей
  • Электрооборудование двигателя
  • Охлаждение и отопление
  • Топливная система (карбюратор)
  • Топливная система (инжектор)
  • Система снижения токсичности
  • Трансмиссия
  • Коробка передач
  • Сцепление
  • Раздаточная коробка
  • Приводные валы и мосты
  • Шасси, ходовая часть
  • Тормозная система
  • Подвеска автомобиля
  • Рулевое управление
  • Кузов и салон
  • Экстерьер и интерьер
  • Двери, замки и окна
  • Электрооборудование
  • Оборудование и приборы
  • Электрические схемы
Крузер 70 (1985-1996, дизель) 
  • Общая информация
  • Руководство по эксплуатации
  • Техническое обслуживание
  • Силовой агрегат
  • Регулировка двигателя
  • Ремонт двигателя
  • Топливная система
  • Система управления
  • Система турбонаддува
  • Система охлаждения и смазки
  • Система заряда и пуска
  • Трансмиссия
  • Сцепление
  • Механическая коробка
  • Автоматическая коробка
  • Раздаточная коробка
  • Шасси, ходовая часть
  • Подвеска автомобиля
  • Тормозная система
  • Рулевое управление
  • Кузов и салон
  • Элементы кузова
  • Отопление и кондиционер
  • Электрооборудование
  • Оборудование и приборы
  • Электрические схемы
Автомобильный анекдот
показать ещё один
ToyotaMan.ru © 2018–2025 • Мобильная версия • Интересное о Тойоте • Администрация • Карта сайта: EN BG BY UA RS HR RO PL SK HU • Система поиска • В закладки
Camry Vista-V40 • Camry XV10 • Camry XV20 • Camry XV30 • Corolla Verso-AR10 • Corolla E80 • Corona T190 • Carina T170 • Carina T190 • Land Cruiser J70 (дизель) • Land Cruiser J60 (бензин) • Land Cruiser J100 • Highlander XU20 (бензин) • 4Runner N120 • RAV4 XA10 • Duet M100 • Dyna Y50 • Автомобильные новости • Ремонт японских автомобилей • Обслуживание японских авто • Гидравлические АКПП Тойота • Электронные АКПП Тойота • Правила безопасного вождения