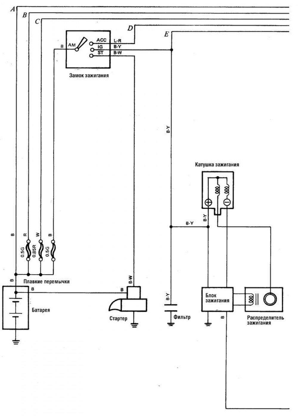
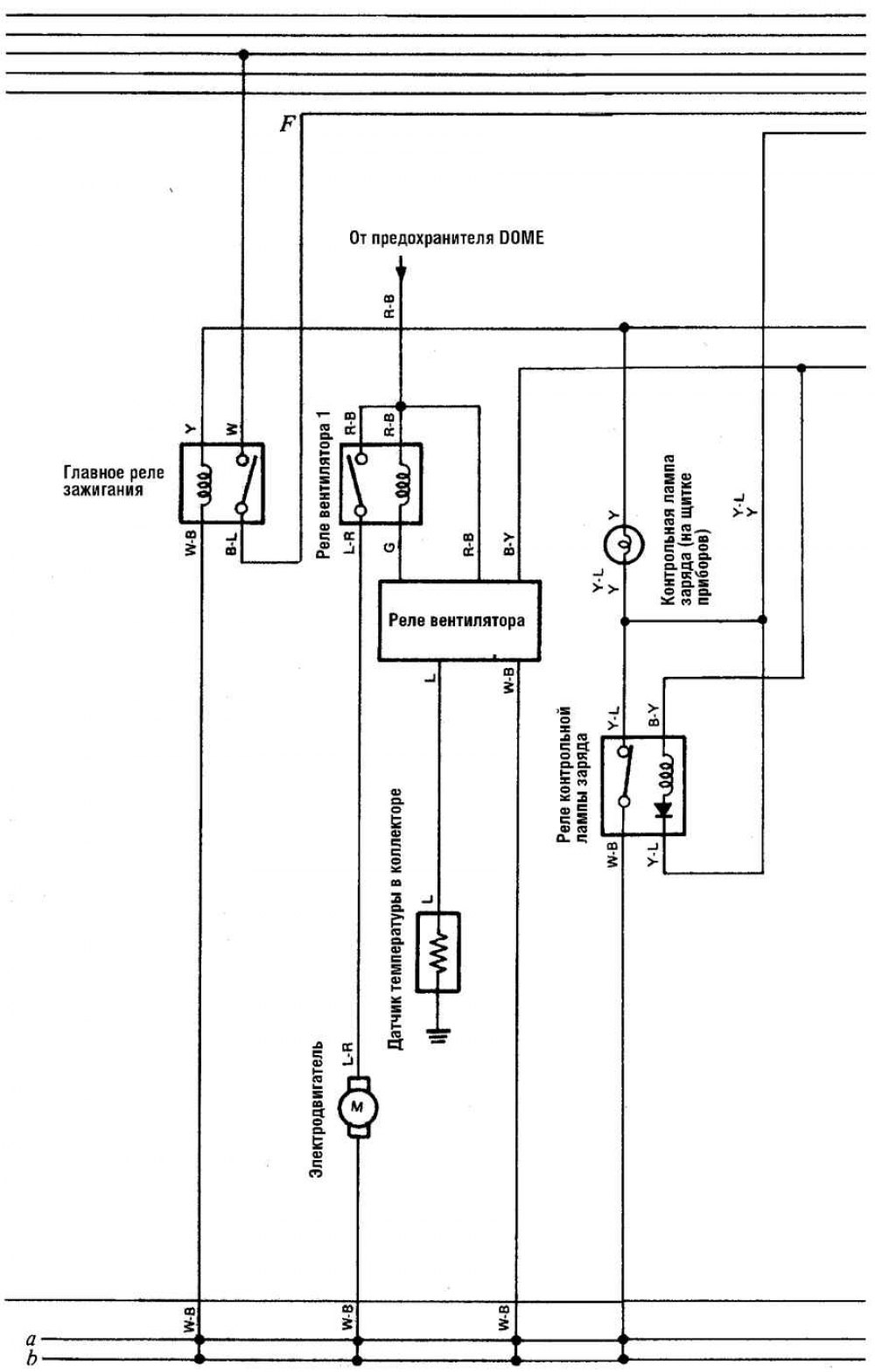
Системы пуска, заряда, зажигания, снижения токсичности и охлаждения (а/м 1980-1987 гг.)

Открыть большую картинку в новой вкладке »

Открыть большую картинку в новой вкладке »
а – точка соединения с массой расположена на передней панели под блоком предохранителей справа
b – точка соединения с массой расположена на передней панели под блоком предохранителей слева
b – точка соединения с массой расположена на передней панели под блоком предохранителей слева

Открыть большую картинку в новой вкладке »
Обозначения цвета изоляции проводов смотрите здесь →
Текст цитируется с сайта-источника (ToyotaMan.ru)
