Оглавление: Модулятор АBS ↓ Датчик частоты вращения переднего…↓ Датчик частоты вращения заднего…↓ Датчик замедления ↓
Модулятор АBS
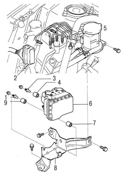
Рис. 11.10. Модулятор АBS моделей до 2001 года (модулятор моделей 4WD 1996 года имеет незначительные отличия): 1 – болт; 2, 4 – подушка; 3 – модулятор АBS; 5 – кронштейн модулятора; 6 – бачок усилителя рулевого управления
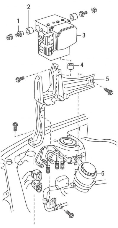
Рис. 11.11. Модулятор АBS моделей с 2001 года: 1 – болт; 2 – электрический разъем модулятора; 3 – болт; 4, 9 – подушки; 5 – бачок усилителя рулевого управления с кронштейном; 6 – модулятор АBS; 7 – подушка; 8 – кронштейн модулятора
Подложите под модулятор чистую ветошь для сбора протекшей тормозной жидкости. Накидным ключом отверните гайки и отсоедините 6 трубок от модулятора АBS (рис. 11.10, 11.11).
Снимите и отведите в сторону компенсационный бачок усилителя рулевого управления. На моделях до 2001 года выверните болт и отсоедините держатель трубы усилителя рулевого управления от кронштейна модулятора АBS.
Отсоедините электрический разъем от модулятора АBS.
Выверните болты и снимите модулятор АBS вместе с кронштейном.
При необходимости выверните болты и снимите модулятор АBS с кронштейна.
Установку производите в последовательности, обратной снятию.
После установки удалите воздух из гидравлической тормозной системы.
Датчик частоты вращения переднего колеса
Затяните стояночный тормоз и заблокируйте задние колеса упорами.
Ослабьте гайки крепления переднего колеса. Поднимите переднюю часть автомобиля и установите ее на опоры. Снимите переднее колесо и грязезащитный щиток арки переднего колеса.
Проследите по проводу датчика расположение электрического разъема и отсоедините разъем.
Выверните болты крепления провода датчика.
Рис. 11.3. Передний датчик частоты вращения: 1 – ротор датчика частоты вращения переднего колеса; 2 – втулка; 3 – датчик частоты вращения переднего колеса
Выверните болт и снимите датчик частоты вращения колеса и втулку с поворотного кулака (см. рис. 11.3).
Установку производите в последовательности, обратной снятию, с учетом следующего.
Болт крепления датчика затяните моментом 8 Н·м.
Датчик частоты вращения заднего колеса на всех моделях, кроме моделей с одним ведущим мостом выпуска с 2001 года
Снимите подушку и спинку заднего сиденья.
Отсоедините электрический разъем, затем вытолкните уплотняющее кольцо и провод датчика из корытообразного элемента пола.
Заблокируйте передние колеса упорами. Ослабьте гайки крепления заднего колеса. Поднимите заднюю часть автомобиля и установите ее на опоры.
Выверните болт крепления троса стояночного тормоза к рычагу задней подвески.
Выверните болт крепления жгута проводов к защитному кронштейну.
Рис. 11.4. Задний датчик частоты вращения на всех моделях до 2001 года и на полноприводных моделях с 2001 года: 1 – датчик частоты вращения заднего колеса; 2 – ротор датчика частоты вращения заднего колеса
Смотрите источник на интернет-ресурсе [www.ToyotaMan.ru]
Выверните болт и снимите датчик частоты вращения колеса и втулку с задней балки (рис. 11.4).
Установку производите в последовательности, обратной снятию, с учетом следующего.
Болт крепления датчика затяните моментом 8 Н·м.
Датчик частоты вращения заднего колеса на моделях с одним ведущим мостом выпуска с 2001 года
Заблокируйте передние колеса упорами. Ослабьте гайки крепления заднего колеса. Поднимите заднюю часть автомобиля и установите ее на опоры.
Рис. 11.5. Задний датчик частоты вращения на моделях с одним ведущим мостом выпуска с 2001 года: 1 – электрический разъем; 2 – датчик частоты вращения заднего колеса; 3 – ступица; 4 – тормозной барабан
Отсоедините электрический разъем от датчика частоты вращения заднего колеса (рис. 11.5).
Снимите ступицу заднего колеса вместе с подшипником.
Молотком через трубчатую оправку выбейте датчик из опоры задней ступицы.
Установку производите в последовательности, обратной снятию, с учетом следующего.
Для установки нового датчика необходим пресс и адаптер, устанавливаемый на внешний выступ датчика.
Датчик замедления
Снимите заднюю часть центральной консоли.
Рис. 11.12. Датчик замедления: 1 – электрический разъем; 2 – датчик замедления
Отсоедините электрический разъем от датчика, выверните 2 гайки и снимите датчик замедления (рис. 11.12).
Установку производите в последовательности, обратной снятию.
