Схема проверки вращения электродвигателя заднего стеклоочистителя

Схема проверки сопротивления выводов электродвигателя заднего стеклоочистителя

Положение тяги при проверке электродвигателя заднего стеклоочистителя
1. Кроме А, В и С
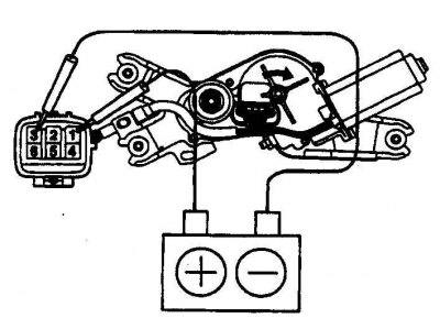
1. Соедините ()-вывод батареи с выводом 1, а (-)-вывод – с выводом 3 (см. рис. Схема проверки вращения электродвигателя заднего стеклоочистителя). Электродвигатель должен вращаться в направлении по часовой стрелке. Смените полярность, – электродвигатель должен вращаться в направлении против часовой стрелки.
2. Соедините ()-вывод батареи с выводом 3, а (-)-вывод – с выводом 1 (см. рис. Схема проверки сопротивления выводов электродвигателя заднего стеклоочистителя) и проверьте сопротивление между следующими выводами (см. рис. Положение тяги при проверке электродвигателя заднего стеклоочистителя):
- в положении А тяги электродвигателя между выводами 5 и 6 должна быть цепь;
- в положении тяги В цепь должна быть между выводами 4,5 и 6;
- в положении тяги С цепь должна быть между выводами 5 и 6;
- в иных положениях тяги цепи между выводами быть не должно.
Замена электродвигателя заднего стеклоочистителя
1. Чтобы отсоединить рычаг щетки снимите колпачок и отверните гайку.
2. Откройте дверь заднего отсека, снимите облицовочную панель и крышку сервисного отверстия.
(Информацию взяли с веб-портала: «toyotaman.ru»)
3. Отверните болты, отсоедините разъем и достаньте электродвигатель.
4. Установка выполняется в обратном порядке.
