Оглавление: Регулировка передней двери ↓ Разборка передней двери ↓ Замена стекла двери ↓ Сборка передней двери ↓
Передняя дверь. 1 - карман, 2 - подлокотник, 3 - обивка двери, 4 - ручка стеклоподъемника, 5 - ручка закрытия двери, 6 * ручка открытия двери, 7 - задняя направляющая стекла, 8 - механизм стеклоподъемника в сборе, 9 - тяга замка двери, 10 - защелка двери, 11 - кнопка блокировки замка в сборе, 12 - внешняя ручка двери, 13 - стекло двери, 14 - зеркало заднего вида, 15 - обойма стекла, 16 - нижний наружный уплотнитель стекла, 17 - петля двери, 18 - ограничитель хода двери, 19 - верхний наружный уплотнитель стекла, 20 - форточка с направляющей стекла, 21 - передняя направляющая стекла, 22 - водозащитная пленка.
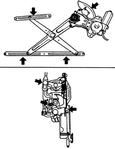
Регулировка передней двери
1. Регулировка двери в продольном и вертикальном направлениях.
При помощи специнструмента ослабьте болты крепления дверных петель к кузову, затем отрегулируйте дверь.

2. Регулировка двери в поперечном и вертикальном направлениях.
Ослабьте болты крепления дверных петель к двери и отрегулируйте дверь.

3. Регулировка скобы замка двери.
а) Убедитесь, что навеска двери и рычаги замка двери отрегулированы правильно.
б) Слегка ослабьте винты крепления скобы, ударами молотка отрегулируйте положение скобы
в) Затяните винты крепления скобы

Разборка передней двери
1. Для моделей с ручным приводом стеклоподъемника: при помощи тряпки снимите стопорное кольцо и удалите ручку стеклоподъемника вместе с прокладкой.
2. Отверните винт, затем отсоедините рычаг от ручки открытия двери и снимите ручку.

3. Отверните два винта и снимите зеркало заднего вида.
4. Для моделей с электроприводом стеклоподъемника: снятие крышки основания подлокотника.
а) Вставьте отвертку между основанием подлокотника и крышкой.
Примечание: конец отвертки следует обмотать изоляционной лентой.
б) Передвиньте крышку основания вперед и вверх, снимите ее, затем отсоедините разъем с проводами.

5. Снятие внутренней обивки двери (для моделей с ручным приводом стеклоподъемника).
а) Удалите два винта и снимите подлокотник, или два винта с заглушками и снимите ручку закрытия двери.
б) Вставьте отвертку между обивкой и дверью и, используя ее как рычаг, снимите обивку двери.
Примечание: конец отвертки следует обмотать изоляционной лентой.
в) Удалите пять винтов, и снимите карман с обивки двери.
6. Снятие внутренней обивки двери (для моделей с электроприводом стеклоподъемника).
а) Удалите две заглушки и два винта из подлокотника.
б) Вставьте отвертку между обивкой и дверью и, используя ее как рычаг, снимите обивку двери.
Примечание: конец отвертки следует обмотать изоляционной лентой.

в) Отверните пять винтов и снимите подлокотник с обивки двери.
г) Отверните пять винтов и снимите карман с обивки двери.

7. Удалите фиксаторы края панели, снимите нижний наружный уплотнитель стекла двери.

8. Удалите фиксаторы края панели, снимите нижний внутренний уплотнитель стекла двери.

9. Для моделей с электроприводом замка двери: отверните три болта и снимите реле управления замка двери.
10. Извлеките водозащитную пленку.
11. Извлеките верхний уплотнитель стекла из корпуса двери.
12. Для моделей без форточки: отверните два винта и два болта, снимите переднюю направляющую стекла.
13. Для моделей с форточкой: отверните три винта и болт, извлеките форточку с направляющей стекла через верхнюю часть двери.

14. Отверните два болта крепления обоймы стекла, затем извлеките стекло через верхнюю часть двери.
Примечание: подложите ветошь с внутренней стороны панели, чтобы не поцарапать стекло.

15. Снятие механизма стеклоподъемника.
а) Для моделей без форточки: отверните болты крепления рычага-уравнителя.
б) Для моделей с электроприводом стеклоподъемника: отсоедините разъем привода стеклоподъемника.
в) Отверните болты крепления механизма стеклоподъемника и извлеките механизм через смотровое отверстие.
Официальный источник находится на портале: ToyotaMan.ru

16. Отверните болт и снимите заднюю направляющую стекла.

17. Снятие замка двери.
а) Отсоедините тяги от наружной ручки и цилиндра замка двери.
б) Для моделей с электроприводом замка двери: отсоедините разъем.
в) Отверните три болта и извлеките замок двери через смотровое отверстие.

18. Отверните винт и снимите цилиндр замка двери.
19. Отверните два болта и снимите наружную ручку двери.

Замена стекла двери
1. Удалите обойму стекла при помощи отвертки.
2. Смочите мыльной водой внутреннюю часть резиновой вставки.
3. Установите обойму, слегка постукивая по ней пластмассовым молотком.

Сборка передней двери
1. Нанесите консистентную смазку на поверхности трения и шестерни механизма стеклоподъемника, поверхности трения замка двери.
Внимание: запрещается наносить консистентную смазку на пружину механизма.

2. Установите наружную ручку двери и закрепите двумя болтами.
3. Установите цилиндр замка двери и закрепите винтом.
4. Установка замка двери.
а) Установите дверной замок и закрепите его тремя болтами.
б) Для моделей с электроприводом замка двери: подсоедините разъем к приводу замка.
в) Подсоедините тяги к наружной ручке и цилиндру замка двери.
5. Установите заднюю направляющую стекла и закрепите болтом.
6. Установка механизма стеклоподъемника.
а) Через смотровое отверстие поместите механизм внутрь двери.
б) Закрепите механизм болтами.
в) Для моделей с электроприводом стеклоподъемника: подсоедините разъем.
г) Затяните два болта крепления рычага-уравнителя.
7. Вставьте стекло двери в направляющие, затем установите стекло и закрепите двумя болтами.
Примечание: подложите ветошь с внутренней стороны панели, чтобы не поцарапать стекло.
8. Установка передней направляющей стекла (для моделей без форточки): установите направляющую и закрепите двумя винтами и двумя болтами.
9. Установка форточки с направляющей стекла (для моделей с форточкой): установите форточку с направляющей стекла и закрепите тремя винтами и болтом.
10. Установка водозащитной пленки.
а) Нанесите клей на пленку.
б) Вставьте нижний край пленки в прорезь панели двери.
в) Заклейте прорезь в панели хлопчатобумажной лентой.
Примечание: не заклеивайте лентой отверстия под пистоны.

11. Для моделей с электроприводом стеклоподъемников: установите реле управления замком двери и закрепите его тремя болтами.
12. Вставьте выступы крепежных зажимов в прорезь вверху панели и с усилием установите нижний внутренний уплотнитель стекла в панель.
13. Вставьте выступы крепежных зажимов в прорезь вверху панели и с усилием установите нижний наружный уплотнитель стекла в панель.
14. Установите зеркало заднего вида и закрепите двумя винтами.
15. Установка внутренней обивки двери (для моделей с ручным приводом стеклоподъемника).
а) Установите карман двери на обивку двери и закрепите пятью винтами.
б) Установите обивку двери и закрепите ее пистонами.
в) Установите подлокотник и закрепите двумя винтами, или ручку закрытия двери и закрепите двумя винтами с заглушками.
16. Установка внутренней обивки двери (обивка для моделей с электроприводом стеклоподъемника).
а) Установите карман двери на обивку двери и закрепите пятью винтами.
б) Установите подлокотник на обивку двери и закрепите пятью винтами.
в) Установите обивку двери на место и закрепите ее пистонами с помощью молотка.
г) Вверните два винта и установите две заглушки в подлокотник.
17. Для моделей с электроприводом стеклоподъемника: подсоедините разъем с проводами, передвиньте крышку основания подлокотника назад и, нажав, установите ее на основание.
18. Подсоедините тяги к внутренней ручке двери, установите внутреннюю ручку открытия двери и закрепите ее двумя болтами.
19. Для моделей с ручным приводом стеклоподъемника: полностью закройте окно, установите прокладку и ручку стеклоподъемника со стопорным кольцом так, чтобы угол между ручкой и вертикалью составил 30°.

