Ступица, поворотный кулак и верхняя опора автомобиля "Toyota 4-Runner/ Hilux/ Surf"
1. Чехол; 2. Хомут; 3. Стопорное кольцо; 4. Верхняя опора; 5. Кулак; 6. Подшипник; 7. Ступица; 8. Сальник; 9. Стопорное кольцо; 10. Щит тормоза; 11. Датчик скорости ABS-системы; 12. Разделительная втулка (для а/м с ABS-системой); 13. Сальник (полноприводные а/м); 14. Колпак (заднеприводные а/м)
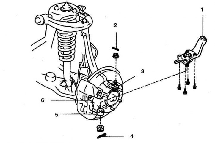
Нижняя опора автомобиля "Toyota 4-Runner/ Hilux/ Surf"
1. Нижняя опора; 2, 4. Шплинт; 3. Рулевая тяга; 5. Нижний рычаг; 6. Кулак
Проверка люфта в нижней шаровой опоре
1. Не более 2,3 мм
Проверка
Состояние шаровых опор следует проверять каждый раз при подъеме автомобиля.
1. Поднимите передок автомобиля.
2. Очистите опоры и проверьте состояние уплотнителей.
3. Приподнимите автомобиль, подставив домкрат под нижний рычаг подвески, чтобы разгрузить опору.
4. Покачайте колесо монтировкой, одновременно проверяя люфт в опоре (выполняется с помощником). Если люфт значительный, то опору замените (см. рис. Проверка люфта в нижней шаровой опоре).
5. Покачайте верхнюю опору. Замените опору, если обнаруживается значительный люфт.
6. Опору следует проверять при каждом снятии кулака или опор.
7. Для проверки попробуйте провернуть палец опоры от руки.
8. Если палец проворачивается от руки, то опору замените.
9. Изготовителем рекомендуется более точный способ.

10. Покачайте палец опоры от себя и на себя 5 раз, после чего заверните гайку.
11. Динамометрическим ключом со шкалой в несколько Н·м. проверьте момент сопротивления проворачиванию пальца.
12. Проверните палец ключом, делая 1 оборот за 2–4 сек. На 5-м обороте проверьте показания момента и сравните с нормативным (см. подраздел 9.1).
13. Если момент отличается от нормы, то опору замените.
Замена верхней опоры
1. Снимите кулак.
2. Снимите хомут, чехол и достаньте стопорное кольцо.

3. Выпрессуйте опору съемником через оправку (1 – глубокая оправка).

4. Если заменяется сам шарнир, то запрессуйте его гидравлическим прессом через 2 оправки (1 – оправка).
5. Далее сборка выполняется в обратном порядке.
6. Все крепления подвески затяните с заданным моментом.
Замена нижней опоры
1. Отсоедините рулевую тягу.
2. Отсоедините кулак от нижнего рычага.
3. Отверните болты и снимите нижнюю опору.
4. Установите новую опору и затяните болты с заданным моментом.
5. Далее сборка выполняется в обратном порядке.
