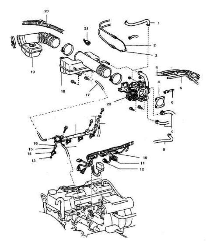
Корпус дроссельной заслонки 4-цилиндрового двигателя
1. Золотник вентиляции картера; 2. Трос разгона на пониженной передаче; 3. Трос заслонки; 4. Вакуумный шланг; 5. Шланг бачка с поглотителем; 6. Разъем регулятора холостого хода; 7. Прокладка; 8. Шланг охлаждения; 9, 21. Воздушный шланг; 10. Разъем форсунки; 11. Разъем датчика детонации; 12. Разъем датчика вращения коленвала; 13. Изолятор; 14. Форсунка; 15. Кольцо; 16. Уплотнитель; 17. Вакуумный шланг; 18. Разъем датчика скорости потока; 19. Шланг воздухозаборника; 20. Жгут двигателя; 23. Корпус заслонки
Корпус дроссельной заслонки двигателя V6
1. Шланг воздухозаборника; 2. Трос круиз-контроля; 3. Трос заслонки; 4, 7. Шланг охлаждающей жидкости; 5, 13. Воздушный шланг; 6. Прокладка 8. Корпус заслонки; 9. Разъем регулятора холостого хода; 10. Вакуумный шланг; 11. Трос разгона на пониженной передаче; 12. Разъем датчика заслонки; 14. Шланг насоса гидроусилителя руля
Проверка
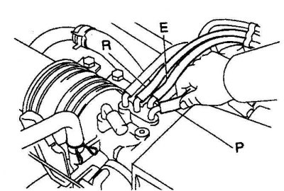
Вакуумный шланг корпуса заслонки

Таблица режимов и результатов проверки
| Обозначение штуцера вакуумного шланга | На холостом ходу | При 3500 об/мин |
| P | Разрежение есть | Разрежение есть |
| E | Разрежения нет | Разрежение есть |
| R | Разрежения нет | Разрежение есть |
Вакуумный шланг корпуса заслонки (а/м 1997-98 гг.)

Таблица режимов и результатов проверки (для а/м 1997-98 гг.)
| Обозначение штуцера вакуумного шланга | На холостом ходу | При 3500 об/мин |
| Е | Разрежения нет | Разрежение есть |
| R | Разрежения нет | Разрежение есть |
1. Убедитесь в плавности хода тяги дроссельной заслонки.
2. Запустите двигатель, отсоедините вакуумный шланг, вакуумметром проверьте разрежение и сравните с табличными данными.
Замена
1. Отсоедините батарею от массы.
2. Снимите воздуховод, ослабив хомуты.
3. Отсоедините трос от заслонки, снимите кронштейн троса и отведите в сторону.
4. Если автомобиль оборудован автоматической трансмиссией, то отсоедините трос дросселя трансмиссии, снимите кронштейн и отведите в сторону.
5. Обозначьте и отсоедините от камеры дроссельной заслонки все вакуумные шланги.
6. Отсоедините от корпуса разъем и отверните болты.
7. Снимите корпус заслонки и прокладку. Очистите корпус, продуйте все каналы сжатым воздухом. Протирать датчик заслонки растворителем запрещается.
Установка
1. Установка выполняется в обратном порядке.
2. Затяните болты крепления с заданным моментом.
Оригинальную публикацию найдёте на сайте www.ToyotaMan.ru
