Уравнительная камера и смежные детали (4-цилиндровые двигатели)
1. Трубка рециркуляции; 2. Уравнительная камера; 3, 13. Прокладка; 4. Бензопровод; 5. Гребенка; 6. Уплотнитель; 7, 17. Кольцо; 8. Форсунка; 9. Изолятор; 10. Коллектор; 11. Стойка; 12. Обратный бензопровод; 14. Нейтрализатор; 15. Передняя выхлопная труба; 16. Крюк; 18. Патрубок маслоуказателя; 19. Выпускной патрубок; 20. Тепловой экран; 21. Коллектор выпускной; 22. Шина соединения с массой; 23. Кронштейн проводки; 24. Задняя крышка
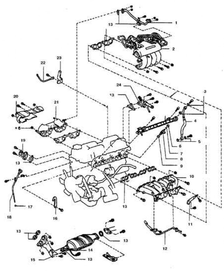
Уравнительная камера и смежные детали (двигатели V6 3,4 л)
1. Датчик скорости потока, резонатор и воздушный фильтр; 2. Разъем измерителя скорости потока; 3. Уравнительная камера; 4. Шланг бачка с поглотителем; 5. Трубка рециркуляции; 6. Прокладка; 7. Шланг усилителя тормозов; 8. Бензопровод; 9. Стойка; 10. Кольцо; 11. Для а/м с автоматической трансмиссией; 12. Патрубок для заправки жидкости; 13. Хомут троса дроссельной заслонки; 14. Жгут; 15. Всасывающий коллектор; 16. Воздушный шланг; 17. Шланг гидроусилителя руля
Снятие
1. Отсоедините батарею от массы.
2. Отсоедините разъемы от клапана рециркуляции, регулятора холостого хода, датчика заслонки и клапана бачка с поглотителем.
3. Отсоедините от корпуса заслонки тяги и тросы.
4. Отсоедините трубку рециркуляции от клапана.
5. Обозначьте и отсоедините все вакуумные шланги.
6. Отсоедините от камеры шланг вентиляции картера.
7. Снимите шину соединяющую с массой.
8. Отсоедините и заглушите шланги охлаждения от корпуса заслонки.
9. Отверните болты и снимите камеру в сборе с корпусом заслонки.
10. Очистите разъемные плоскости, установите новую прокладку и уравнительную камеру. Далее сборка выполняется в обратном порядке.
