Оглавление: Проверка ↓ Регулировка ↓
Выключатель блокирует запуск двигателя во всех положениях селектора кроме P и N. В противном случае требуется проверка или замена выключателя.
Проверка
1. Поднимите автомобиль.
2. Отсоедините от выключателя разъем.

3. При выключенном зажигании проверьте сопротивление между выводами переключателя (см. табл. Сопротивления между выводами переключателя). При необходимости отрегулируйте выключатель или замените.
Регулировка
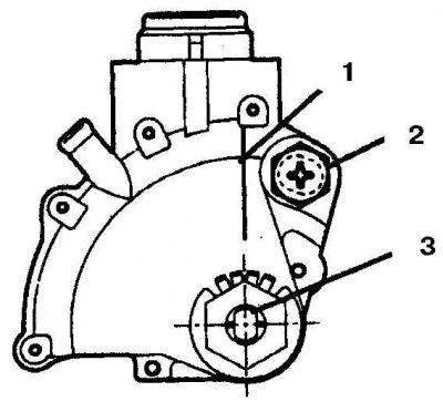
1. Переведите селектор в положение N.

2. Отпустите болт выключателя (2) и отрегулируйте положение, для этого отпустите болт, вставьте канавку (3) по линии нейтрали (1) и, удерживая выключатель, затяните болт.
(Оригинальную публикацию найдёте на сайте: «www.toyotaman.ru»)

3. Для замены выключателя расконтрите шайбу и отверните гайку.
4. Отверните болт и снимите выключатель.
5. Сборка выполняется в обратном порядке. Отрегулируйте выключатель.
Сопротивление между выводами переключателя
| Положение селектора | Нормально замкнутые выводы | Нормально замкнутые выводы |
| P | 4 – 7 | 5 – 6 |
| R | 4 – 8 | – |
| N | 4 – 10 | 5 – 9 |
| D | 4 – 9 | – |
| 2 | 2 – 4 | – |
| L | 2 – 3 | – |
