Компания Хонда Компания Форд Компания Шкода Компания Киа Компания Мазда Компания Мерседес Компания Рено
Русский English
Български
Беларускі
Український
Српски
Hrvatski
Română
Polski
Slovenský
Magyar
В закладки Статьи Карта Контакты
ToyotaMan.ru
 
 
 
 
 
 
 
 
 
Camry Corolla Corona Carina Land Cruiser Highlander 4Runner RAV4 Другие
Камри XV30 (2001-2006) Камри XV20 (1996-2001) Камри XV10 (1991-1996) Камри Виста V40 (1994-1998)

Электросхема габаритных фонарей (с 96.5) [Toyota Camry Vista-V40]

  • Главная
  • Камри
  • Vista-V40 (1994-1998)
  • Электрооборудование
  • Электрические схемы
  • Электросхема габаритных фонарей (с 96.5)
0

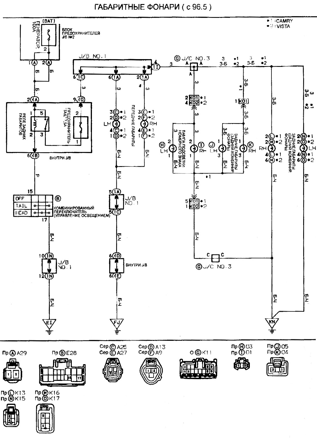
Электросхема габаритных фонарей (с 96.5)




Открыть большую картинку в новой вкладке »


Официальный источник находится на портале: www.ToyotaMan.ru
Эта статья доступна на: английском, болгарском, белорусском, украинском, сербском, хорватском, румынском, польском, словацком, венгерском
Материал статьи был проверен: Митрофанова Елена
Поделитесь информацией:
◀ Предыдущие
Камри Виста V40: Электрические схемы
Следующие ▶

Электросхема стоп-сигналов (с 96.5)
Разъем дополнительного оборудования
Комбинация приборов аналоговая (с 96.5)
Антиблокировочная система тормозов ABS (с 96.5)
Электронная система управления АКПП и индикаторы (3S-FE, с 96.5)
 
Похожие статьи по другим моделям Тойота

➥ Электросхема фонарей заднего хода Тойота Дуэт (1998-2004)
➥ Схема задних габаритных фонарей Тойота Королла Версо 3 (2004-2009)
➥ Электросхема габаритных огней Тойота Карина Т190 (1992-1996)
➥ Проверка реле габаритных фонарей Тойота Корона Т190 (1992-1997)
➥ Проверка и замена выключателя фонарей заднего хода Тойота РАВ 4 ХА10 (1994-2000)
➥ Электросхема распределения мощности Тойота Крузер 100 (1998-2007)
Ссылка в разных форматах на эту статью
Комментарии и отзывы посетителей
Комментариев пока нет


Сложите два числа 31 + 20

       





Камри XV30 (2001-2006) 
  • Руководство по эксплуатации
  • Описание автомобиля
  • Ключи, замки и сигнализация
  • Органы управления
  • Оборудование салона
  • Вождение и эксплуатация
  • Техническое обслуживание
  • Силовой агрегат
  • 4-х цилиндровый двигатель
  • Система управления (I4)
  • Капремонт двигателя (I4)
  • 6-ти цилиндровый двигатель
  • Система управления (V6)
  • Капремонт двигателя (V6)
  • Трансмиссия
  • Сцепление
  • Механическая коробка
  • Автоматическая коробка
  • Приводной механизм
  • Шасси, ходовая часть
  • Колеса и шины
  • Подвеска автомобиля
  • Рулевое управление
  • Тормозная система
  • Кузов и салон
  • Экстерьер (наружные элементы)
  • Двери, замки и окна
  • Кондиционер и отопитель
  • Электрооборудование
  • Оборудование и приборы
  • Силовые устройства
  • Электрические схемы
Камри XV20 (1996-2001) 
  • Общая информация
  • Органы управления и приборы
  • Вождение и эксплуатация
  • Ежедневный уход (ЕУ)
  • Техническое обслуживание (ТО)
  • Силовой агрегат
  • 4-х цилиндровый двигатель
  • 6-ти цилиндровый двигатель
  • Капремонт двигателя
  • Электрооборудование двигателя
  • Система охлаждения
  • Отопление и вентиляция
  • Топливная система
  • Выхлопная система
  • Трансмиссия
  • Механическая коробка
  • Автоматическая коробка
  • Сцепление
  • Шасси, ходовая часть
  • Подвеска и полуоси
  • Рулевое управление
  • Тормозная система
  • Кузов и салон
  • Экстерьер (внешние элементы)
  • Интерьер (внутренние элементы)
  • Двери, замки и окна
  • Электрооборудование
  • Оборудование и приборы
  • Электрические схемы
Камри XV10 (1991-1996) 
  • Общая информация
  • Руководство по эксплуатации
  • Техническое обслуживание
  • Силовой агрегат
  • 4-х цилиндровый двигатель
  • 6-ти цилиндровый двигатель
  • Капитальный ремонт двигателей
  • Охлаждение и отопление
  • Топливная система
  • Электрооборудование двигателя
  • Система управления
  • Трансмиссия
  • Механическая коробка
  • Автоматическая коробка
  • Сцепление и приводные валы
  • Шасси, ходовая часть
  • Тормозная система
  • Подвеска автомобиля
  • Рулевое управление
  • Кузов и салон
  • Экстерьер (наружные элементы)
  • Интерьер (внутренние элементы)
  • Двери, замки и окна
  • Электрооборудование
  • Оборудование и приборы
  • Фары и освещение
  • Электрические схемы
Камри Виста V40 (1994-1998) 
  • Общая информация
  • Руководство по эксплуатации
  • Техническое обслуживание
  • Силовой агрегат
  • Бензиновые двигатели
  • Дизельные двигатели
  • Капитальный ремонт
  • Система охлаждения и смазки
  • Система питания (дизель)
  • Впрыск топлива (бензин)
  • Электрооборудование двигателя
  • Трансмиссия
  • Сцепление и кардан
  • Автоматическая коробка
  • Шасси, ходовая часть
  • Передняя подвеска
  • Задняя подвеска
  • Рулевое управление
  • Тормозная система
  • Кузов и салон
  • Элементы кузова
  • Кондиционер и отопитель
  • Система безопасности SRS
  • Электрооборудование
  • Оборудование и приборы
  • Электрические схемы
Автомобильный анекдот
показать ещё один
ToyotaMan.ru © 2018–2026 • Мобильная версия • Интересное о Тойоте • Администрация • Карта сайта: EN BG BY UA RS HR RO PL SK HU • Система поиска • В закладки
Camry Vista-V40 • Camry XV10 • Camry XV20 • Camry XV30 • Corolla Verso-AR10 • Corolla E80 • Corona T190 • Carina T170 • Carina T190 • Land Cruiser J70 (дизель) • Land Cruiser J60 (бензин) • Land Cruiser J100 • Highlander XU20 (бензин) • 4Runner N120 • RAV4 XA10 • RAV4 XA20 • Duet M100 • Dyna Y50 • Автомобильные новости • Ремонт японских автомобилей • Обслуживание японских авто • Гидравлические АКПП Тойота • Электронные АКПП Тойота • Правила безопасного вождения
Для работы некоторых интерактивных функций нам необходимы cookie. Вы не против?