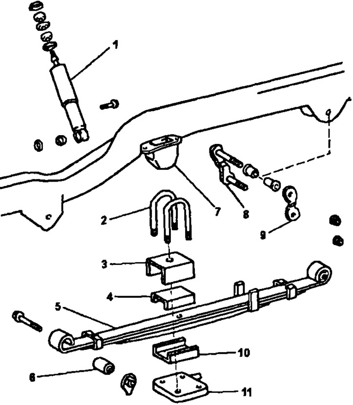
Задняя рессорная подвеска: 1 - амортизатор, 2 - стремянка, 3 - скоба. 4 - верхняя прокладка, 5 - рессора, 6 - втулка, 7 - буфер хода сжатия, 8 - серьга, 9 - пластина серьги, 10 - нижняя прокладка, 11 - накладка
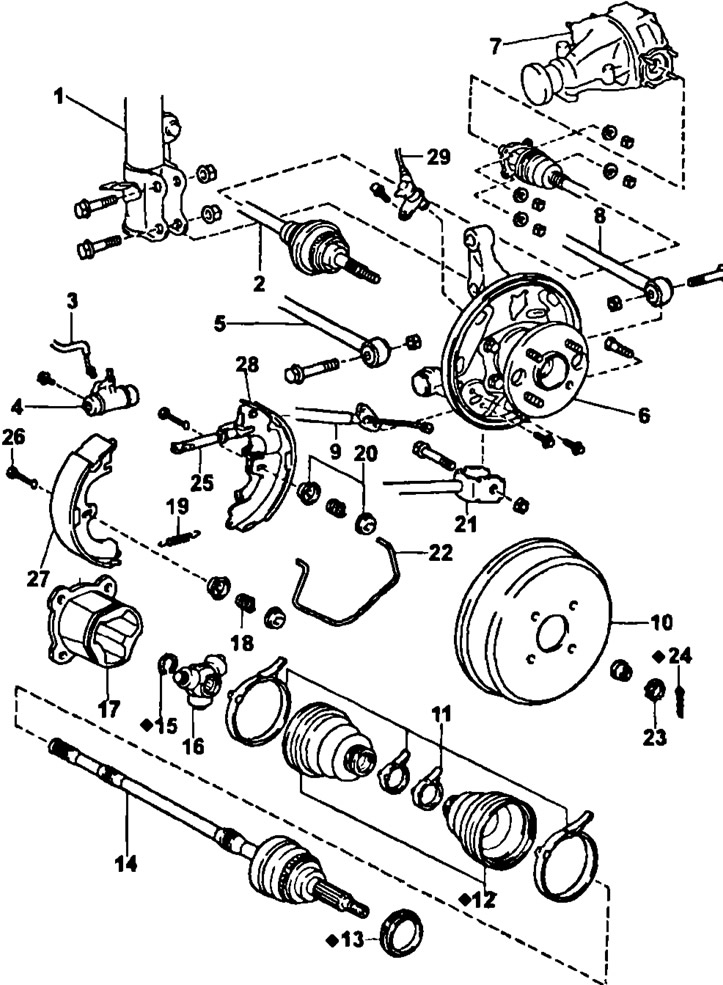
Задняя подвеска моделей 4WD: 1 - стойка, 2 - приводной вал, 3 - тормозная трубка, 4 - тормозной цилиндр, 5 - нижний рычаг подвески №1, 6 - кулак и ступица заднего колеса, 7 - дифференциал, 8 - нижний рычаг подвески №2, 9 - трос привода стояночного тормоза, 10 - тормозной барабан, 11 - хомут, 12 - чехол, 13 - пыльник №2, 14 - приводной вал с наружным шарниром, 15 - стопорное кольцо, 16 - тройной шарнир, 17 - обойма внутреннего шарнира, 18 - пружина держателя, 19 - возвратная пружина, 20 - седла пружины, 21 - продольный рычаг, 22 - упорная пружина, 23 - колпачок контргайки, 24 - шплинт, 25 - регулятор, 26 - держатель, 27 - передняя тормозная колодка, 28 - задняя тормозная колодка, 29 - датчик частоты вращения (ABS)
