Маслоохладитель двигателя 3F-E
1, 4. Прокладка; 2. Редукционный клапан; 3. Пружина; 5. Заглушка; 6, 11. Шланг охлаждающей жидкости; 7. Маслоохладитель; 8. Кольцо; 9. Датчик давления масла; 10. Кронштейн; 12. Масляный фильтр
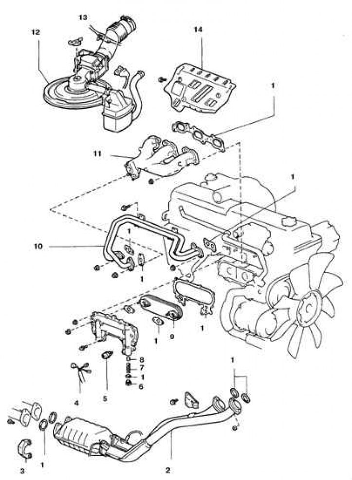
Маслоохладитель двигателя 1FZ-FE
1. Прокладка; 2. Передняя выхлопная труба; 3. Держатель; 4. Проводка; 5. Датчик давления масла; 6. Заглушка; 7. Пружина; 8. Редукционный клапан; 9. Маслоохладитель; 10. Воздушная трубка; 11. Выпускной коллектор 1; 12. Измеритель потока и резонатор; 13. Крышка воздушного фильтра; 14. Тепловой щиток
Снятие и установка
1. Отсоедините батарею от массы.
2. Слейте жидкость.
3. Снимите воздушный фильтр.
4. Отсоедините от коллектора переднюю выхлопную трубу.
5. Отсоедините воздушную трубку импульсной PAIR-системы (если предусмотрена).
6. На автомобилях выпуска после 1993 г. снимите выпускной коллектор.
7. Выверните датчик давления масла.
8. Отсоедините шланги.
9. Отверните болты и снимите маслоохладитель.
10. Установка выполняется в обратном порядке
