Оглавление: Таблица проверки системы…↓ Регулировка положения фар ↓ Комбинированный переключатель ↓ Противотуманные фонари ↓ Указатели поворота и аварийная…↓ Система предупреждения о наличии…↓ Электропривод регулировки положения…↓
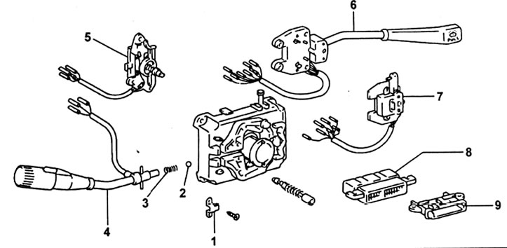
Комбинированный переключатель. 1 - держатель шарика, 2 - шарик, 3 - пружина, 4 - переключатель управления световыми приборами, 5 - переключатель света фар, 6 - выключатель омывателей и стеклоочистителей, 7 - переключатель указателей поворота, 8 - разъем, 9 - держатель проводов.
Система освещения. 1 - блок предохранителей, 2 - переключатель управления регулировкой положения фар, 3 - выключатель аварийной сигнализации и переключатели указателей поворотов/света фар, 4 - реле ламп эксплуатации в дневное время, 5 - реле задних противотуманных фонарей, 6 - реле аварийной сигнализации, 7 - выключатель задних противотуманных фонарей, 8 - выключатель передних противотуманных фонарей, 9 - блок реле, 10 - реле системы предупреждения о наличии включенных осветительных приборов, 11 - комбинированный переключатель, 12 - концевой выключатель передней двери (* - модели с системой предупреждения о незакрытой двери, ** - модели без системы предупреждения о незакрытой двери), 13 - привод регулировки положения фар, 14 - фары.
Таблица проверки системы предупреждения о наличии включенных осветительных приборов.
Регулировка положения фар
Примечание: для фар, оборудованных электрической системой регулировки положения, перед регулировкой переведите управляющий переключатель в положение "О", чтобы установить фары в исходное положение.
1 - регулировка в вертикальной плоскости, 2 - регулировка в горизонтальной плоскости.
Комбинированный переключатель

Примечание: расположение переключателя на моделях с правым рулем симметрично его расположению на моделях с левым рулем.
1. Проверка переключателя.
а) Проверьте проводимость выключателя внешнего освещения.
б) Проверьте проводимость переключателя света фар.
в) Проверьте проводимость переключателя указателей поворота.
г) Проверьте проводимость выключателя аварийной сигнализации.
д) Замените комбинированный переключатель, если проводимость отличается от приведенной в таблицах.
2. Проверка реле в блоке реле.
а) Проверьте проводимость реле управления фарами.
б) Проверьте проводимость реле задних габаритов.
в) Проверьте проводимость реле переключения света фар.
г) Замените реле, если проводимость отличается от приведенной.
Противотуманные фонари
1. Проверка выключателя передних противотуманных фонарей.

2. Проверка выключателя задних противотуманных фонарей.

3. Проверка реле задних противотуманных фонарей.
Указатели поворота и аварийная сигнализация
1. Проверка выключателей указателей поворота и аварийной сигнализации см. в подразделе "Комбинированный переключатель".
2. Проверка реле-прерывателя указателей поворота.
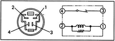
а) Подсоедините аккумулятор к клеммам 2 (+) и 3 (-) реле.
б) Подсоедините обе лампы указателей поворотов параллельно клеммам 1 и 3, убедитесь, что лампы мигают с частотой 60-120 раз в минуту.
в) Если одна из ламп указателей поворотов перегорела, то частота миганий увеличивается до 140 раз в минуту.
3. Проверка реле аварийной сигнализации.
Система предупреждения о наличии включенных осветительных приборов
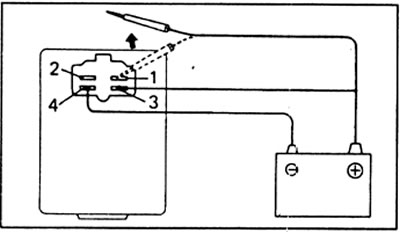
1. Проверьте работу реле системы.
а) Подсоедините аккумулятор к клеммам 3 (+) и 4 (-).
б) Переключите "плюс" аккумулятора от клеммы 2 к клемме 1: зуммер работать не должен.
в) Отсоедините "плюс" аккумулятора от клеммы 1 или 2: зуммер должен срабатывать.
2. Проверка проводки.
а) Отсоедините разъем реле.
б) Проверьте разъем со стороны пучка проводов, как показано в таблице.
в) Если параметры электрической цепи не соответствуют описанным в таблице, то замените реле. Повторите проверку после замены реле и, если параметры цепи снова не соответствуют данным в таблице, проверьте цепи других приборов.
3. Проверка концевого выключателя двери водителя (модели без системы предупреждения о незакрытой двери).
а) Проверьте наличие проводимости между разъемом и корпусом выключателя, когда выключатель в положении "ON" (кнопка отпущена).
б) Проверьте отсутствие проводимости между разъемом и корпусом выключателя, когда выключатель в положении "OFF" (кнопка нажата).
в) Замените выключатель, если он работает не так, как указано.
Электропривод регулировки положения фар
1. Проверьте проводимость переключателя. Замените переключатель, если проводимость отличается от приведенной в таблице.
2. Проверка электропривода.
а) Подсоедините аккумулятор к клеммам 6 (+) и 5 (-).
б) Поочередно замыкайте каждую клемму на "землю" и проверьте работу привода в различных режимах.
| Клемма | Положение луча фары |
| 1 - "земля" | "0" |
| 2 - "земля" | "1" |
| 3 - "земля" | "2" |
| 4 - "земля" | "3" |
| 7 - "земля" | "4" |
| 8 - "земля" | "5" |
в) Замените электропривод, если он работает не так как указано.
