
2. Снимите распределительный вал.
а) Поверните распределительный вал так, чтобы шпоночная канавка распределительного вала была обращена вверх.

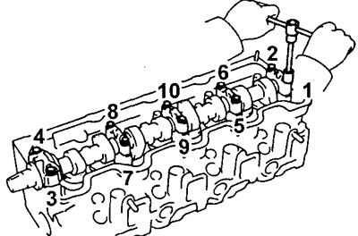
б) Равномерно ослабьте и снимите десять болтов крышек подшипников в несколько проходов, каждый из которых представляет собой последовательность, показанную на рисунке.

в) Снимите пять крышек подшипников и распределительный вал.
(Оригинал можно прочесть на сайте: «www.TOYOTAMAN.ru»)
г) Снимите десять вкладышей из крышек подшипников и из головки блока цилиндров.
Примечание: Расположите крышки подшипников и вкладыши в правильном порядке.

3. Снимите толкатели с регулировочными шайбами.

Примечание: Расположите толкатели в порядке снятия.

4. Снимите клапаны.
а) Используя специнструмент, сожмите пружину клапана и извлеките два сухаря.
б) Снимите тарелку пружины, пружину клапана и седло пружины.

Примечание: Расположите снятые детали по комплектам.

в) Снимите маслоотражательные колпачки.

5. Снимите 4 камеры сгорания и регулировочные прокладки, используя специнструмент.

Примечание: Расположите камеры сгорания (и прокладки) в порядке их снятия.

