Примечание: у некоторых двигателей 3S-GE регулировочные шайбы находятся внутри толкателя, поэтому возможно затруднение по их снятию.

Примечание: расположите толкатели и регулировочные шайбы в порядке их установки.

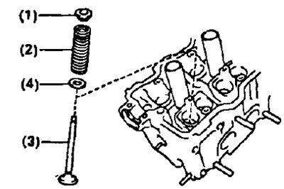
2. Снимите клапаны.
- а) С Помощью подходящего приспособления сожмите клапанную пружину и снимите два сухаря.

- б) Снимите следующие части:
- (1) Тарелку пружины;
- (2) Клапанную пружину;
- (3) Клапан;
- (4) Седло пружину.

Примечание: расположите клапаны, клапанные пружины, седла пружин и тарелки пружин в обратной последовательности.

- в) Используя плоскогубцы с длинными губками, снимите маслосъемные колпачки.
Примечание: будьте осторожны, не заденьте стенку цилиндра толкателя, так как одна царапина не позволит толкателю сесть на место или толкатель будет подклинивать.

3. (2С, 2С-Т) Снимите вставки камер сгорания.
4. (5E-FE) Снимите кронштейн защиты жгута проводов.
5. (5E-FE) Снимите кронштейн двигателя №1 и №2.
6. (5E-FE) Снимите сегментную заглушку.
7. (5E-FEJ Снимите крышку подшипника распределительного вала цилиндра №4.

