Оглавление: Снятие ↓ Установка ↓
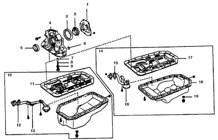
Маслянный поддон и смежные детали на двигателе 3,0 л
1. Крышка масляного насоса; 2. Ведущая шестерня; 3. Ведомая шестерня; 4. Корпус; 5. Сальник; 6. Уплотнитель; 7. Редукционный клапан; 8. Пружина; 9, 12, 15, 19. Прокладка; 10. Для заднеприводных а/м; 11, 17. Маслоотражатель; 13, 16. Маслоприемник; 14. Для полноприводных а/м; 18. Поддон
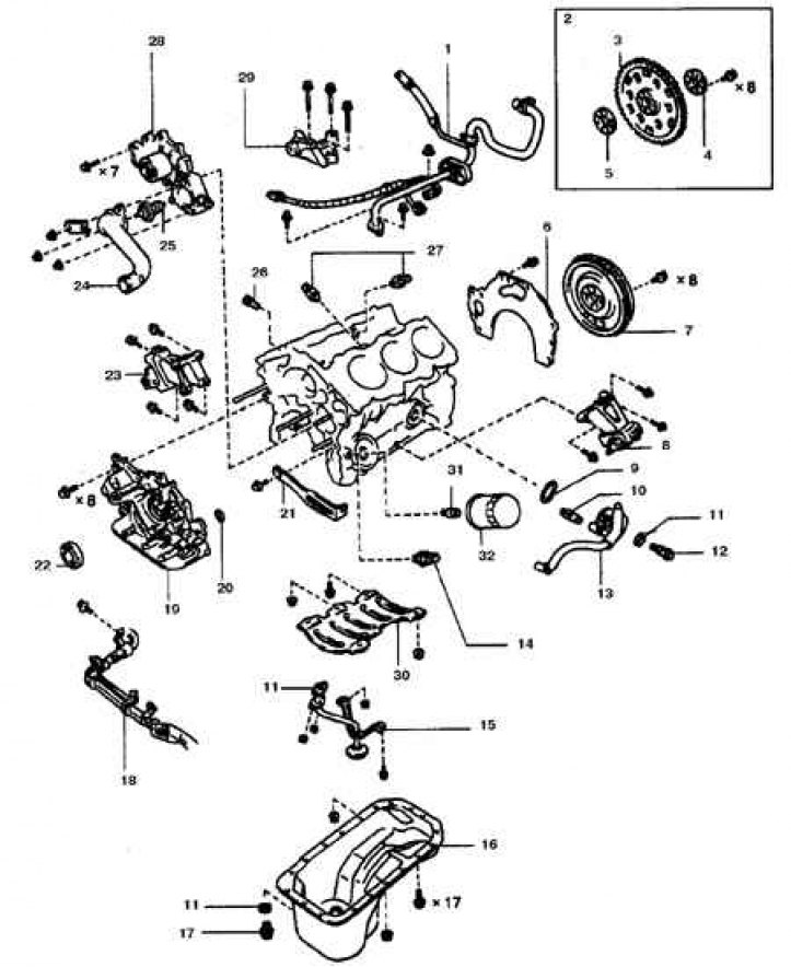
Маслянный поддон и смежные детали на двигателе 3,4 л
1. Перепускная труба с проводом датчика детонации; 2. Для автоматической трансмиссии; 3. Ведущий диск; 4, 5. Дистанционные прокладки; 6. Задняя пластина; 7. Маховик; 8, 23. Кронштейн двигателя; 9, 20. Уплотнитель; 10. Штуцер маслоохладителя; 11. Прокладка; 12. Полый болт; 13. Маслоохладитель; 14. Датчик аварийного давления масла; 15. Маслоприемник; 16. Поддон; 17. Пробка; 18. Кабель стартера; 19. Масляный насос; 21. Кронштейн генератора; 22. Сальник; 24. Впускной патрубок охлаждающей жидкости; 25. Термостат; 26. Сливная пробка; 27. Датчик детонации; 28. Насос охлаждающей жидкости; 29. Кронштейн; 30. Маслоотражатель; 31. Штуцер масляного фильтра; 32. Масляный фильтр
Внимание! Для снятия поддона на полноприводных автомобилях понадобится демонтировать полуоси и передний редуктор. Поэтому для снятия поддона на этих автомобилях рекомендуется снять двигатель, так как эта операция несколько проще.
Снятие
1. Снимите грязевые щитки двигателя.
2. Отсоедините батарею от массы.
3. Поднимите автомобиль.
4. На полноприводных автомобилях снимите полуоси и передний редуктор.
5. Слейте масло и снимите масляный фильтр.
6. Снимите зубчатый ремень.
7. Снимите нижний кожух маховика.
8. Отверните болты и снимите масляный поддон. При необходимости сместите легкими ударами.
Статья была скопирована с портала ToyotaMan.ru
Установка
1. Удалите с разъемных плоскостей блока цилиндров и поддона остатки уплотнения. Промойте уплотняемые плоскости растворителем.
2. Убедитесь в чистоте резьбовых отверстий в блоке цилиндров.
3. Проверьте наличие на разъемной плоскости поддона деформаций, особенно около отверстий под болты. При необходимости отрихтуйте плоскость молотком.
4. Установите маслоотражатель (если снимался).
5. Проверьте состояние маслоприемника, наличие на нем трещин и засорения фильтра грубой очистки.
6. Нанесите валик герметика диаметром около 3 мм на уплотняемую плоскость поддона.
7. Осторожно установите поддон и заверните болты. В три-четыре приема затяните болты поддона с заданным моментом, начиная затяжку в центральной части.
8. Далее сборка выполняются в обратном порядке. Залейте масло в двигатель и замените фильтр. Замените прокладки выхлопной трубы глушителя.
9. Запустите двигатель и убедитесь в отсутствии течей.
