Детали привода распредвала (3,0 л)
1. Звездочка распредвала (правая); 2. Звездочка распредвала (левая); 3. Штифт; 4. Ведущая звездочка; 5. Чашка; 6. Зубчатый ремень; 7. Крышка N1; 8. Шкив коленвала; 9. Шкив ремня гидроусилителя; 10. Кронштейн вентилятора; 11. Крыльчатка; 12. Натяжитель; 13. Патрубок; 14. Хомут высоковольтных проводов; 15. Крышка N₂; 16. Ролик натяжтеля N1; 17. Ролик натяжителя N₂; 18. Прокладка
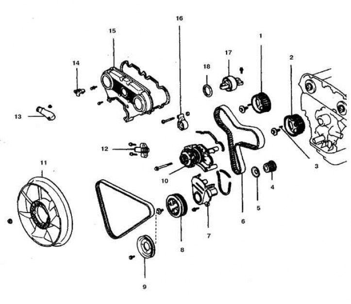
Детали привода распредвала (3,4 л)
1. Прокладка; 2. Зубчатый ремень; 3. Направляющая; 4. Кронштейн проводов стартера; 5. Ролик натяжителя N₂; 6. Защитный чехол; 7. Натяжитель; 8. Ведущая звездочка; 9. Ролик натяжителя N1; 10, 12. Штифт; 11. Звездочка распредвала (правая); 13. Звездочка распредвала (левая); 14. Шкив коленвала; 15. Крышка; 16. Кронштейн вентилятора; 17. Шкив ремня гидроусилителя; 18. Разъем датчика вращения коленвала; 19. Крышка N₂; 20. Хомут высоковольтных проводов
Снятие
1. Отсоедините батарею от массы.
2. Снимите нижний щиток двигателя.
3. Снимите кожух и вентилятор.
4. Слейте жидкость и снимите радиатор.
5. Снимите ремни генератора и насоса гидроусилителя.
6. Отсоедините от свеч провода.
7. Поднимите передок автомобиля, заблокируйте задние колеса.

8. На двигателях 3,0 л выверните шпильки из патрубка охлаждающей жидкости.
9. На двигателях 3,4 л снимите насос гидроусилителя и отведите в сторону.
10. Снимите компрессор кондиционера (см. подраздел 4.13).
11. Выверните свечи.
12. Снимите верхнюю крышку ремня и прокладку. На двигателях 3,4 л снимите ступицу вентилятора и кронштейн.
13. Установите поршень 1-го цилиндра в ВМТ такта сжатия.
14. Проверьте наличие установочных меток на зубчатом ремне. При необходимости нанесите метки.
![]() |
![]() |
15. Убедитесь в совмещении меток на шестерне распредвала (слева – метки на двигателе 3,0 л, справа – метки на двигателе 3,4 л).
![]() |
![]() |
16. Снимите натяжитель и чехол (слева – натяжитель зубчатого ремня на двигателе 3,0 л, справа – натяжитель зубчатого ремня на двигателе 3,4 л, стрелками указаны болты натяжителя).
17. Если зубчатый ремень меняться не будет, то обозначьте метками его положение на звездочке распредвала выпускных клапанов.
18. Снимите зубчатый ремень со звездочек распредвала.
19. Осмотрите звездочки распредвалов, при необходимости замените. Для этого снимите крышку (крышки) и удерживая распредвал ключом за лыски, отверните болт и снимите звездочку.
20. Снимите ролик натяжителя N 2.

21. Отверните болт коленвала, зафиксировав (стрелка) венец маховика (или удерживая болт диска гидротрансформатора).
22. Еще раз проверьте совмещение меток ВМТ на шкиве коленвала и неподвижной шкале.

23. Снимите шкив от руки или с помощью двух отверток, действуя как рычагами.
24. Снимите нижнюю крышку ремня и прокладку. На двигателях 3,4 л предварительно снимите кронштейн вентилятора.
25. Снимите ремень с ведущей звездочки.
26. Снимите ролик натяжителя N1.
27. Проверьте наличие метки на ремне напротив углубления в ведущей звездочке, при необходимости нанесите новую метку (если ремень меняться не будет).

28. При необходимости снимите ведущую звездочку от руки или с помощью двух отверток, действуя как рычагами.
Проверка
1. Проверьте состояние ремня. При наличии трещин, надрывов, порезов, срезанных зубьев, или если истек срок эксплуатации, ремень замените.
2. Проверьте потеков масла на натяжителе. Сальник натяжителя исправен если наблюдаются только слабые следы от масла со стороны плунжера.

3. Проверьте ход плунжера, уперев его в неподвижную поверхность. Если плунжер смещается, то натяжитель замените.

4. Проверьте выступание плунжера натяжителя. Если выступание отличается от нормального, то натяжитель замените.
5. Проверьте свободу вращения роликов натяжителя.
Установка
1. Очистите переднюю часть двигателя.

2. На двигателях 3,0 л совместите метки на венце ведущей звездочки и на корпусе масляного насоса. Установите ведущую звездочку так, чтобы фланцевая часть была обращена в сторону двигателя.

3. На двигателях 3,4 л не повредите вставку датчика вращения коленвала на ведущей звездочке. Проверьте совмещение указанных меток.
4. Установите ролик натяжителя ремня N 1, смазав 2–3 нитки резьбы болта натяжителя фрикционным составом. Затяните болт с заданным моментом.
5. Оденьте зубчатый ремень, заведя его на ведущей звездочке. Если устанавливается снятый ремень, то совместите метки на ремне, звездочках и крышках, нанесенными при снятии.
6. Оденьте на коленвал направляющую чашку, обратив ее выпуклой поверхностью в сторону двигателя.

7. Оденьте шкив коленвала и затяните болт с заданным моментом, удерживая коленвал (стрелка).
8. Установите верхний ролик натяжителя. Затяните болт и проверьте свободу вращения ролика.
9. Установите звездочку левого распредвала фланцевой частью наружу, совместив отверстие в звездочке со штифтом распредвала.
10. Затяните болт звездочки с заданным моментом.
![]() |
![]() |
11. Снова проверьте метки и убедитесь, что коленвал не провернулся относительно исходного положения (слева – совмещение меток на двигателе 3,0 л, справа – совмещение меток на двигателе 3,4 л). Если одевается снятый ремень, то установите его по меткам, нанесенным при снятии. Если метки не совпадают, то переместите ремень на ведущей звездочке. Метка на звездочке левого распредвала должна быть обращена вверх и совпадать с меткой на задней крышке ремня.
12. Отверстие под штифт в звездочке правого распредвала должно быть обращено вверх (на 12 часов). При необходимости снимите крышку головки цилиндров (если не снималась) и поверните распредвал до совмещения меток на распредвале и на задней крышке.
13. Поверните левый распредвал почасовой стрелке примерно на один шаг между зубьями. Если одевается снятый ремень, то совместите установочную метку с меткой на звездочке распредвала. Оденьте ремень на звездочку и проверните распредвал против часовой стрелке, вернув его в исходное положение. Ремень теперь должен иметь небольшое натяжение.
14. Совместив отверстие со штифтом, установите звездочку правого распредвала так, чтобы фланцевая часть была обращена внутрь.
15. Затяните болт звездочки, сохраняя положение меток.
16. Оденьте на звездочку ремень, совместив метки (если устанавливается снятый ремень).

17. Сожмите в тисках натяжитель и утопите плунжер. Зафиксируйте плунжер, вставив в поперечные сквозные отверстия сверло диаметром 1,2 мм.
18. Установите натяжитель и затяните болты.
19. Проверните коленвал на 2 оборота и проверьте совмещение меток. Если метки не совмещены, то повторите все действия по установке ремня. Запрещается запускать двигатель до тех пор пока не будет полной уверенности в правильной установке ремня.
20. Установите остальные детали в обратном порядке.






