Оглавление: Снятие ↓ Установка ↓
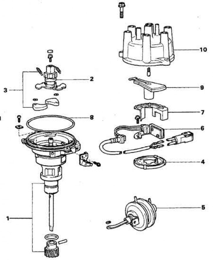
Распределитель зажигания 1988-92 гг.
1. Уплотнитель; 2. Корпус; 3. Шестерня; 4. Кольцо; 5. Штифт
Распределитель зажигания 1980-87 гг.
1. Корпус и спиральная шестерня; 2. Ротор датчика; 3. Противовесы центробежного регулятора; 4. Пластина прерывателя; 5. Вакуумный регулятор; 6. Индукционный датчик; 7. Крышка датчика; 8. Кольцо; 9. Бегунок; 10. Крышка распределителя
Снятие
1. Отсоедините батарею от массы.
2. Отсоедините от распределителя разъемы.
[Текст взят с указанного сайта ToyotaMan.ru]
3. Найдите на крышке распределителя метку высоковольтного вывода 1-го цилиндра. Если метка на крышке отсутствует, то найдите соответствующий вывод по проводу от 1-го цилиндра.
4. Снимите крышку распределителя и, провернув коленвал, установите бегунок напротив высоковольтного вывода 1-го цилиндра.

5. Нанесите метку на нижней кромке корпуса распределителя, непосредственно под указателем бегунка. Нанесите также метки на корпусе распределителя и на головке цилиндров, чтобы обеспечить правильную установку распределителя при сборке.
6. Если конструкцией предусмотрено крепление распределителя двумя болтами с заплечиками, то отпустите эти болты, но полностью не отворачивайте.

7. Отверните болт крепления распределителя (показан стрелкой), затем подайте распределитель в горизонтальном направлении и достаньте его. Поворот коленвала после снятия распределителя с двигателя не допускается.
Установка
Внимание! Если коленвал все же поворачивался после снятия распределителя, то установите поршень 1-го цилиндра в ВМТ такта сжатия и сориентируйте бегунок и корпус распределителя.

1. Замените уплотнительное кольцо на хвостовике распределителя.

2. При установке распределителя выемка (1) должна быть обращена вверх.
Внимание! На автомобилях с 1993 года при установке совмещаются канавка в корпусе распределителя и выступ на шестерне привода.
3. Вставьте распределитель в двигатель, точно сориентировав корпус по нанесенным меткам.
4. Если распределитель не устанавливается по месту, то еще раз проверьте метки, нанесенные на основании корпуса распределителя и на двигателе перед разборкой. Установите распределитель точно по этим меткам. Проверьте также ориентацию бегунка, метка на бегунке должна совпадать с меткой на основании корпуса, нанесенной до разборки.
5. Заверните болт крепления распределителя.
6. Далее установка выполняется в обратном порядке.
7. Проверьте установку момента зажигания, затяните болт крепления распределителя.
