Компания Хонда Компания Форд Компания Шкода Компания Киа Компания Мазда Компания Мерседес Компания Рено
Русский English
Български
Беларускі
Український
Српски
Hrvatski
Română
Polski
Slovenský
Magyar
В закладки Статьи Карта Контакты
ToyotaMan.ru
 
 
 
 
 
 
 
 
 
Camry Corolla Corona Carina Land Cruiser Highlander 4Runner RAV4 Другие
Камри XV30 (2001-2006) Камри XV20 (1996-2001) Камри XV10 (1991-1996) Камри Виста V40 (1994-1998)

Электросхема освещения прикуривателя, управления замка задней двери [Toyota Camry XV10]

  • Главная
  • Камри
  • XV10 (1991-1996)
  • Электрооборудование
  • Электрические схемы
  • Электросхема освещения прикуривателя, управления замка задней двери
0

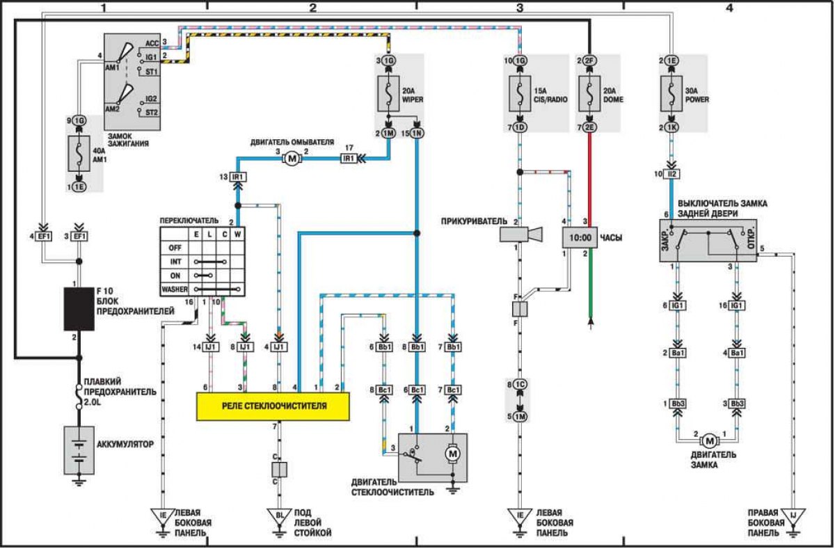
Электросхема освещения прикуривателя, управления замка задней двери




Открыть большую картинку в новой вкладке »



Открыть большую картинку в новой вкладке »


[Оригинальная версия опубликована на сайте ToyotaMan.ru]
Эта статья доступна на: английском, болгарском, белорусском, украинском, сербском, хорватском, румынском, польском, словацком, венгерском
Материал статьи был проверен: Митрофанова Елена
Поделитесь информацией:
◀ Предыдущие
Камри XV10: Электрические схемы
Следующие ▶

Электросхема указателей поворотов и звукового сигнала
Электросхема передних фар
Электросхема стоп-сигналов и фар
Электросхема комбинации приборов
Электросхема управления двигателем 3VZ-FE
Электросхема управления зеркалами и стеклоподъемниками
Электросхема круиз-контроля и обогревателя заднего стекла
Электросхема радиоприемника
Электросхема управления вентилятором и антенны
Электросхема освещения
Похожие статьи по другим моделям Тойота

➥ Детский предохранитель замка задней двери Тойота Королла Е80 (1983-1990)
➥ Снятие и установка замка двери Тойота РАВ 4 ХА10 (1994-2000)
➥ Выключатель обогревателя стекла задней двери Тойота Дуэт (1998-2004)
➥ Стеклоподъмник задней двери — снятие и установка Тойота 4 Раннер N120 (1989-1995)
➥ Замок двери, выключатель замка и ручки Тойота Крузер 60/80 (1980-1997, бензин)
➥ Обогреватели задней двери и зеркал Тойота Корона Т190 (1992-1997)
Ссылка в разных форматах на эту статью
Комментарии и отзывы посетителей
Комментариев пока нет


Сложите два числа 24 + 45

       





Камри XV30 (2001-2006) 
  • Руководство по эксплуатации
  • Описание автомобиля
  • Ключи, замки и сигнализация
  • Органы управления
  • Оборудование салона
  • Вождение и эксплуатация
  • Техническое обслуживание
  • Силовой агрегат
  • 4-х цилиндровый двигатель
  • Система управления (I4)
  • Капремонт двигателя (I4)
  • 6-ти цилиндровый двигатель
  • Система управления (V6)
  • Капремонт двигателя (V6)
  • Трансмиссия
  • Сцепление
  • Механическая коробка
  • Автоматическая коробка
  • Приводной механизм
  • Шасси, ходовая часть
  • Колеса и шины
  • Подвеска автомобиля
  • Рулевое управление
  • Тормозная система
  • Кузов и салон
  • Экстерьер (наружные элементы)
  • Двери, замки и окна
  • Кондиционер и отопитель
  • Электрооборудование
  • Оборудование и приборы
  • Силовые устройства
  • Электрические схемы
Камри XV20 (1996-2001) 
  • Общая информация
  • Органы управления и приборы
  • Вождение и эксплуатация
  • Ежедневный уход (ЕУ)
  • Техническое обслуживание (ТО)
  • Силовой агрегат
  • 4-х цилиндровый двигатель
  • 6-ти цилиндровый двигатель
  • Капремонт двигателя
  • Электрооборудование двигателя
  • Система охлаждения
  • Отопление и вентиляция
  • Топливная система
  • Выхлопная система
  • Трансмиссия
  • Механическая коробка
  • Автоматическая коробка
  • Сцепление
  • Шасси, ходовая часть
  • Подвеска и полуоси
  • Рулевое управление
  • Тормозная система
  • Кузов и салон
  • Экстерьер (внешние элементы)
  • Интерьер (внутренние элементы)
  • Двери, замки и окна
  • Электрооборудование
  • Оборудование и приборы
  • Электрические схемы
Камри XV10 (1991-1996) 
  • Общая информация
  • Руководство по эксплуатации
  • Техническое обслуживание
  • Силовой агрегат
  • 4-х цилиндровый двигатель
  • 6-ти цилиндровый двигатель
  • Капитальный ремонт двигателей
  • Охлаждение и отопление
  • Топливная система
  • Электрооборудование двигателя
  • Система управления
  • Трансмиссия
  • Механическая коробка
  • Автоматическая коробка
  • Сцепление и приводные валы
  • Шасси, ходовая часть
  • Тормозная система
  • Подвеска автомобиля
  • Рулевое управление
  • Кузов и салон
  • Экстерьер (наружные элементы)
  • Интерьер (внутренние элементы)
  • Двери, замки и окна
  • Электрооборудование
  • Оборудование и приборы
  • Фары и освещение
  • Электрические схемы
Камри Виста V40 (1994-1998) 
  • Общая информация
  • Руководство по эксплуатации
  • Техническое обслуживание
  • Силовой агрегат
  • Бензиновые двигатели
  • Дизельные двигатели
  • Капитальный ремонт
  • Система охлаждения и смазки
  • Система питания (дизель)
  • Впрыск топлива (бензин)
  • Электрооборудование двигателя
  • Трансмиссия
  • Сцепление и кардан
  • Автоматическая коробка
  • Шасси, ходовая часть
  • Передняя подвеска
  • Задняя подвеска
  • Рулевое управление
  • Тормозная система
  • Кузов и салон
  • Элементы кузова
  • Кондиционер и отопитель
  • Система безопасности SRS
  • Электрооборудование
  • Оборудование и приборы
  • Электрические схемы
Автомобильный анекдот
показать ещё один
ToyotaMan.ru © 2018–2026 • Мобильная версия • Интересное о Тойоте • Администрация • Карта сайта: EN BG BY UA RS HR RO PL SK HU • Система поиска • В закладки
Camry Vista-V40 • Camry XV10 • Camry XV20 • Camry XV30 • Corolla Verso-AR10 • Corolla E80 • Corona T190 • Carina T170 • Carina T190 • Land Cruiser J70 (дизель) • Land Cruiser J60 (бензин) • Land Cruiser J100 • Highlander XU20 (бензин) • 4Runner N120 • RAV4 XA10 • Duet M100 • Dyna Y50 • Автомобильные новости • Ремонт японских автомобилей • Обслуживание японских авто • Гидравлические АКПП Тойота • Электронные АКПП Тойота • Правила безопасного вождения
Для работы некоторых интерактивных функций нам необходимы cookie. Вы не против?