Головка блока (двигатели 2L; 3L): 1 - задняя крышка ремня ГРМ; 2 - держатель сальника распределительного вала; 3 - болт (М. 3. 52 Н·м); 4 - сальник; 5; 8; 10; 13; 36 - прокладка; 6 - тепловой экран; 7 - выпускной коллектор; 9 - болт (М. 3. 25 Н·м); 11 - крышка №1 головки блока; 12 - пробка маслозаливной горловины; 14 - крышка №2 головки блока; 15 - шланг системы вентиляции картера; 16 - крышка подшипника распределительного вала; 17 - подшипник распределительного вала; 18 - распределительный вал; 19 - болт (М. 3. 78 Н·м + 90° + 90°); 20 - правый подвесной кронштейн; 21 - регулировочная шайба; 22 - толкатель клапана; 23 - сухари; 24 - тарелка пружины; 25 - пружина клапана; 26 - седло пружины; 27 - маслосъемный колпачок; 28 - направляющая втулка клапана. 29 - клапан; 30 - головка блока цилиндров; 31 - прокладка головки блока; 32 - прокладка впускного коллектора; 33 - впускной коллектор; 34 - болт (М. 3. 24 Нм); 35 - патрубок; 37 - левый подвесной кронштейн.
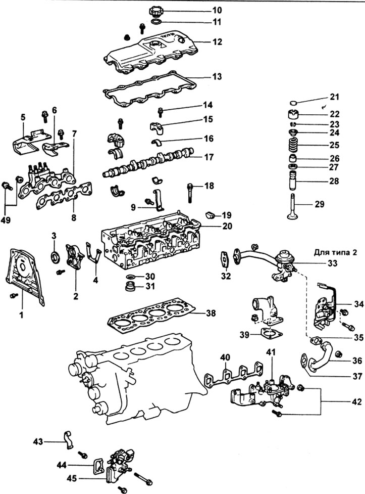
Головка блока (двигатель 2L-T): 1 − задняя крышка ремня ГРМ; 2 - держатель сальника распределительного вала; 3 - сальник; 4; 8,11,13; 30; 32; 35; 37; 39; 44; 47 - прокладка; 3 - болт (М3. 52 Нм); 5; 6 - тепловой экран №1 и №2; 7 - выпускной коллектор; 9 - правый подвесной кронштейн; 10 - пробка маслозаливной горловины; 12 - крышка головки блока цилиндров; 14 - болт (М. 3. 25 Нм); 15 - крышка подшипника распределительного вала; 16 - подшипник распределительного вала; 17 - распределительный вал; 18 - болт (М3. 78 Н·м + 90° + 90°); 19 - полукруглая заглушка; 20 - головка блока цилиндров; 21 - регулировочная прокладка,22 - толкатель клапана; 23 - сухари; 24 - тарелка пружины; 25 - пружина клапана; 26 - маслосъемный колпачок; 27 - седло пружины; 28 - направляющая втулка клапана; 29 - клапан; 31 - вставка камеры сгорания; 33 - клапан с трубкой системы рециркуляции ОГ; 34 - клапан управления системой рециркуляции ОГ в сборе; 36 - патрубок системы рециркуляции ОГ; 38 - прокладка головки блока; 40 - прокладка впускного коллектора; 41 - впускной коллектор; 42 - М3. 24Н м; 43 - подвесной кронштейн; 45 - патрубок системы охлаждения.
Головка блока (двигатель 1KZ-T): 1 - крышка маслозаливной горловины; 2 - клапанная крышка; 3 - прокладка; 4 - трубка отопителя (выход); 5 - крышка подшипника распределительного вала; 6- распределительный вал; 7 - регулировочная шайба; 8 - толкатель; 9 - сухари; 10 - тарелка пружины; 11 - пружина клапана; 12 - седло пружины; 13 - маслосъемный колпачок; 14 - направляющая клапана; 15 - кронштейн и рычаг привода акселератора; 16 - заглушка; 17 - крюк подъема двигателя; 18 -задняя крышка ремня ГРМ; 19 - вставка камеры сгорания; 20 - клапан; 21 -датчик температуры охлаждающей жидкости; 22 - головка блока; 23 - впускной коллектор; 24 - водяной патрубок; 25 - вакуумные шланги и трубки; 26 - трубка отопителя (вход).
