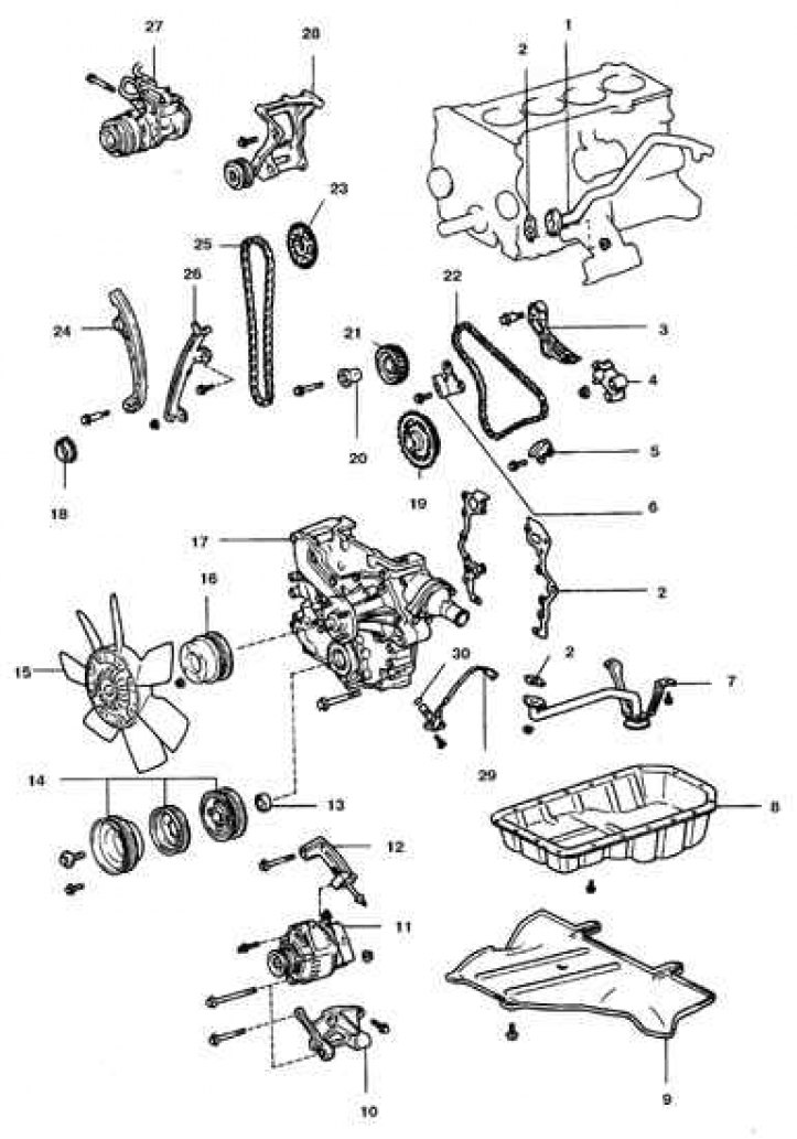
Детали передней части двигателя
1. Перепускная труба охлаждающей жидкости N1; 2. Прокладка; 3. Успокоитель N₂; 4. Натяжитель N₂; 5. Успокоитель N3; 6. Успокоитель N4; 7. Маслоприемник; 8. Поддон; 9. Щиток; 10. Кронштейн; 11. Генератор; 12. Регулировочный кронштейн; 13. Сальник; 14. Шкив; 15. Крыльчатка с гидроприводом; 16. Шкив насоса охлаждающей жидкости; 17. Крышка цепи; 18. Ведущая шестерня цепи распредвала; 19. Ведущая звездочка коленвала N₂; 20. Валик ведущей шестерни балансирного вала; 21. Ведущая шестерня балансирного вала; 22. Цепь балансирного вала; 23. Звездочка распредвала; 24. Башмак натяжителя; 25. Цепь распредвала; 26. Успокоитель N1; 27. Компрессор; 28. Кронштейн; 29. Датчик вращения коленвала; 30. Кольцевая прокладка
Обозначение отличающихся размерами болтов крышки цепи

Снятие
1. Отсоедините батарею от массы.
2. Слейте масло и охлаждающую жидкость.
3. Поднимите передок автомобиля.
4. Снимите нижние щитки.
5. Снимите расширительный бачок радиатора.
6. Выверните свечи и снимите все ремни привода.

7. Отрвернув болты (указаны стрелками), снимите компрессор кондиционера и отведите в сторону, не отсоединяя от магистрали.

8. Снимите генератор, ролик натяжителя и кронштейн (болты нижнего кронштейна указаны стрелками).
9. Снимите привод круиз-контроля (если предусмотрен).
10. Отсоедините нижний шланг радиатора и снимите насос охлаждающей жидкости.
11. Установите поршень 1-го цилиндра в ВМТ такта сжатия.
12. Снимите головку цилиндров.
13. Снимите поддон.

14. Зафиксируйте шкив коленвала, чтобы отвернуть болт.

15. Отверните болт и снимите шкив коленвала.

16. Отверните болты (стрелки) и гайки крышки цепи.

17. Осторожно снимите крышку.

18. Снимите цепь и звездочку.
19. Снимите успокоители и детали натяжителя.
Проверка
1. Проверьте состояние цепи и успокоителей. Изношенные детали замените. В случае сильного износа успокоителей снимите и очистите поддон и маслоприемник.

2. Проверьте работу плунжера. Плунжер должен свободно перемещаться при отведенном фиксаторе.

3. Проверьте работу фиксатора натяжителя. Фиксатор должен надежно удерживать плунжер.
4. Проверьте чистоту жиклера масляной форсунки.
Установка

1. Очистите переднюю часть двигателя, цепь и крышку, установите форсунку. Форсунка должна быть обращена в сторону цепи.

2. Наденьте цепь на звездочку распредвала, совместив звенья с отличительными метками на ведущей и ведомой звездочках. Обожмите цепь, перевязав прочной лентой.

3. Совместите звено с отличительной меткой (указано стрелкой) с пазом под шпонку коленвала (указан стрелкой) и наденьте на ведущую звездочку.
4. Нанесите на крышку валик герметика, убедитесь в наличии всех прокладок и установите крышку (в течение не более 5 мин после нанесения), введя валик ведущего ротора масляного насоса в зацепление с ведущей шестерней коленвала.
5. Заверните болты и затяните с заданным моментом (см. подраздел 3.1.1). Болты крепления крышки цепи, отличающиеся размерами, указаны на рис. Обозначение отличающихся размерами болтов крышки цепи. Снимите обвязку цепи.
6. Установите остальные детали в обратном порядке. Убедитесь в правильности установки крышки, заправьте систему охлаждения жидкостью, залейте масло. Запустите двигатель, убедитесь в отсутствии течи. Установите момент зажигания и проведите испытание ходовых качеств автомобиля.
