Схема движения масла (двигатели серии L)
Для подачи масла к движущимся частям двигателя принята система смазки под давлением. Масло из масляного поддона всасывается масляным насосом через маслоприемник. После прохождения через масляный фильтр масло подается через отверстия в коленчатом вале и блоке цилиндров к парам трения. Уровень масла проверяется щупом, установленным на блоке с левой стороны.
Масляный насос представляет собой шестеренный насос трохоидального типа с ведущей и ведомой шестернями. Поскольку ось вращения ведущей шестерни несколько смещена относительно центра ведомой шестерни, в процессе вращения промежуток между двумя шестернями изменяется. Масло всасывается при увеличении промежутка, и выбрасывается при его уменьшении.
Редукционный клапан. При высокой частоте вращения двигателя количество масла, подаваемого насосом, превосходит потребность двигателя. Редукционный клапан предназначен для предотвращения избыточной подачи масла. При нормальном расходе редукционный клапан со спиральной пружиной держит перепускной канал закрытым, но при подаче избыточного количества масла, давление в системе возрастает, и преодолевая усилие пружины, открывает клапан. В результате избыточное масло возвращается обратно в поддон.
Масляный фильтр полнопоточного типа с бумажным фильтрующим элементом. Для упрощения замены фильтрующего элемента фильтр установлен вне двигателя. Перед фильтрующим элементом предусмотрен перепускной клапан, который открывается в случае засорения масляного фильтра. Масло, проходящее через перепускной клапан, в обход масляного фильтра поступает непосредственно в главную масляную магистраль двигателя.
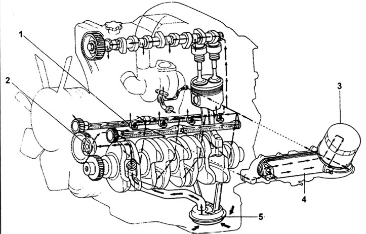
Двигатель 1KZ-T: 1 - форсунки охлаждения поршней, 2 - масляный насос, 3 - масляный фильтр, 4 - маслоохладитель, 5 - маслоприемник.
Публикация заимствована с интернет-сайта toyotaman.ru
