Снятие водяного насоса
Двигатели 2L, 2L-T, 3L
1. Слейте охлаждающую жидкость.
2. Снимите приводные ремни.
3. Снимите вентилятор, гидромуфту и шкив водяного насоса. Снимите четыре гайки крепления гидромуфты к шкиву, далее снимите вентилятор, вязкостную муфту и шкив.

4. Снимите шкив коленчатого вала и крышку №1 ремня привода ГРМ.
5. Используя острогубцы снимите натяжную пружину ремня привода ГРМ.

6. Отверните шесть болтов, снимите кронштейн натяжной пружины, водяной насос и прокладку.

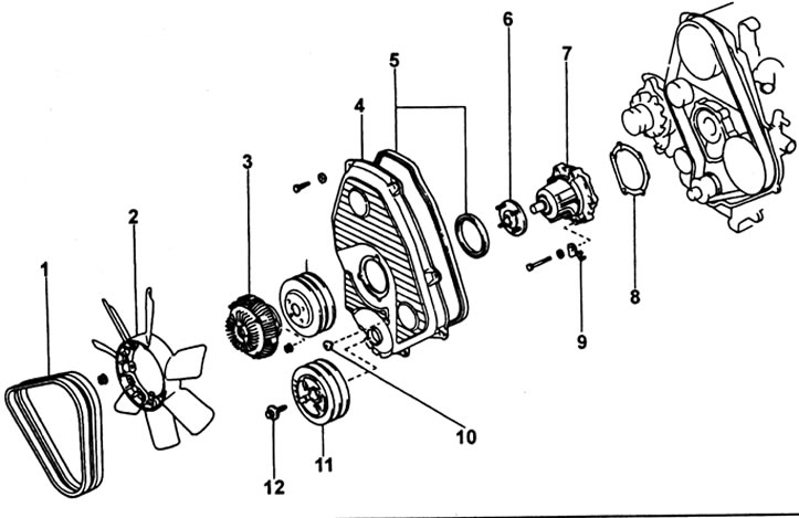
Снятие водяного насоса (двигатели 2L, 2L-T, 3L): 1 - приводной ремень, 2 • вентилятор, 3 - вязкостная муфта, 4 - крышка №1 ремня привода ГРМ, 5 - прокладка, 6 - седло шкива, 7 - водяной насос, 8 - прокладка, 9 - кронштейн пружины, 10 - заглушка, 11 - шкив коленчатого вала, 12 - болт М. 3. 167 Нм.
Снятие водяного насоса (двигатель 1KZ-T): 1 - крыльчатка водяного насоса, 2 - генератор, 3 - задняя крышка ремня ГРМ, 4 - кронштейн генератора, 5 - прокладка, 6 - улитка водяного насоса, 7 - ремень привода, 8- шкив 9 - вязкостная муфта,10 - вентилятор.
Двигатель 1KZ-T
1. Слейте охлаждающую жидкость.
2. Снятие вентилятора, ремней привода и шкива водяного насоса.
а) Не сбрасывая натяжения ремня привода ослабьте 4 гайки крепления вентилятора.
б) Ослабьте болт-ось и болт-фиксатор натяжного устройства ремня.

в) Выверните регулировочный болт натяжного устройства и снимите ремни привода насоса.
г) Отверните гайки, снимите вентилятор в сборе с вязкостной муфтой и шкив насоса.
3. Снимите ремень привода ГРМ и направляющий ролик ремня ГРМ.
(Первоисточником является этот веб-сайт www.TOYOTAMAN.ru)
4. Снимите зубчатый шкив распределительного вала.
5. Снимите заднюю крышку ремня ГРМ.
6. Снятие водяного насоса.
а) Удалите болт-ось и фиксирующий болт генератора.

б) Отверните четыре болта крепления кронштейна генератора, снимите кронштейн.

в) Отверните 5 болтов и 2 гайки крепления водяного насоса, снимите крыльчатку насоса и прокладку.

г) Выверните болт, снимите улитку насоса и прокладку.

Контроль состояния и ремонт составных частей водяного насоса
1. Проверьте водяной насос.
Поворачивая шкив, проверьте плавность и бесшумность движения подшипников водяного насоса. Если необходимо, замените водяной насос.

2. Проверьте вязкостную муфту на наличие повреждений и утечки силиконового масла. Если необходимо, замените муфту.

3. Замена опоры шкива (двигатели 2L, 2L-T, 3L).
а) Используя специнструмент и пресс, выпрессуйте вал из подшипника и снимите опору шкива.

б) Используя специнструмент и пресс, выпрессуйте вал из подшипника и установите новую опору шкива на расстоянии 76,5 - 77,5 мм между опорой шкива и корпусом насоса.

Установка водяного насоса
Двигатели 2L, 2L-T, 3L
1. Установите водяной насос.
Установите новую прокладку, водяной насос и кронштейн пружины натяжения с шестью болтами.
Момент затяжки — 23 Н·м
2. Используя острогубцы, установите натяжную пружину ремня привода ГРМ.
3. Установите переднюю крышку ремня привода ГРМ и шкив коленчатого вала (см. соответствующий раздел).
4. Установите шкив водяного насоса, вязкостную муфту и вентилятор.
5. Установите приводные ремни.
6. Залейте охлаждающую жидкость двигателя (см. соответствующий параграф).
7. Запустите двигатель и убедитесь в отсутствии утечек.
Двигатель 1KZ-T
1. Установка водяного насоса.
а) Уложите новую прокладку на улитку насоса.

б) Временно соедините крыльчатку и улитку насоса болтом.

в) Установите прокладку на блок цилиндров.

г) Закрепите насос 5-ю болтами и 2-мя гайками.
Момент затяжки — 13 Н·м

д) Закрепите кронштейн генератора 4-мя болтами. Момент затяжки болтов 21 Нм.

е) Установите генератор. Момент затяжки фиксирующего болта 21 Н·м, болта оси - 62 Н·м.

2. Установите заднюю крышку ремня ГРМ.
3. Установите зубчатый шкив распределительного вала.
4. Установите направляющий ролик и ремень привода ГРМ.
5. Установка шкива водяного насоса, вентилятора и ремней привода.
а) Установите шкив и вентилятор в сборе с вязкостную муфту, закрепите их 4-мя гайками.

б) Наденьте ремень на шкивы.
в) Натяните ремень и затяните гайки крепления вентилятора моментом 18 Н·м.
г) Отрегулируйте натяжение ремня
6. Залейте охлаждающую жидкость двигателя.
7. Запустите двигатель и убедитесь в отсутствии утечек.
