Компания Honda Компания Ford Компания Skoda Компания KIA Компания Mazda Компания Mercedes Компания Renault
Български Русский
English
Беларускі
Український
Српски
Hrvatski
Română
Polski
Slovenský
Magyar
Към отметки Статии Карта Контакти
ToyotaMan.ru
 
 
 
 
 
 
 
 
 
Camry Corolla Corona Carina Land Cruiser Highlander 4Runner RAV4 Друго
Duet (1998-2004) Dyna Y50/Y60 (1984-1995)

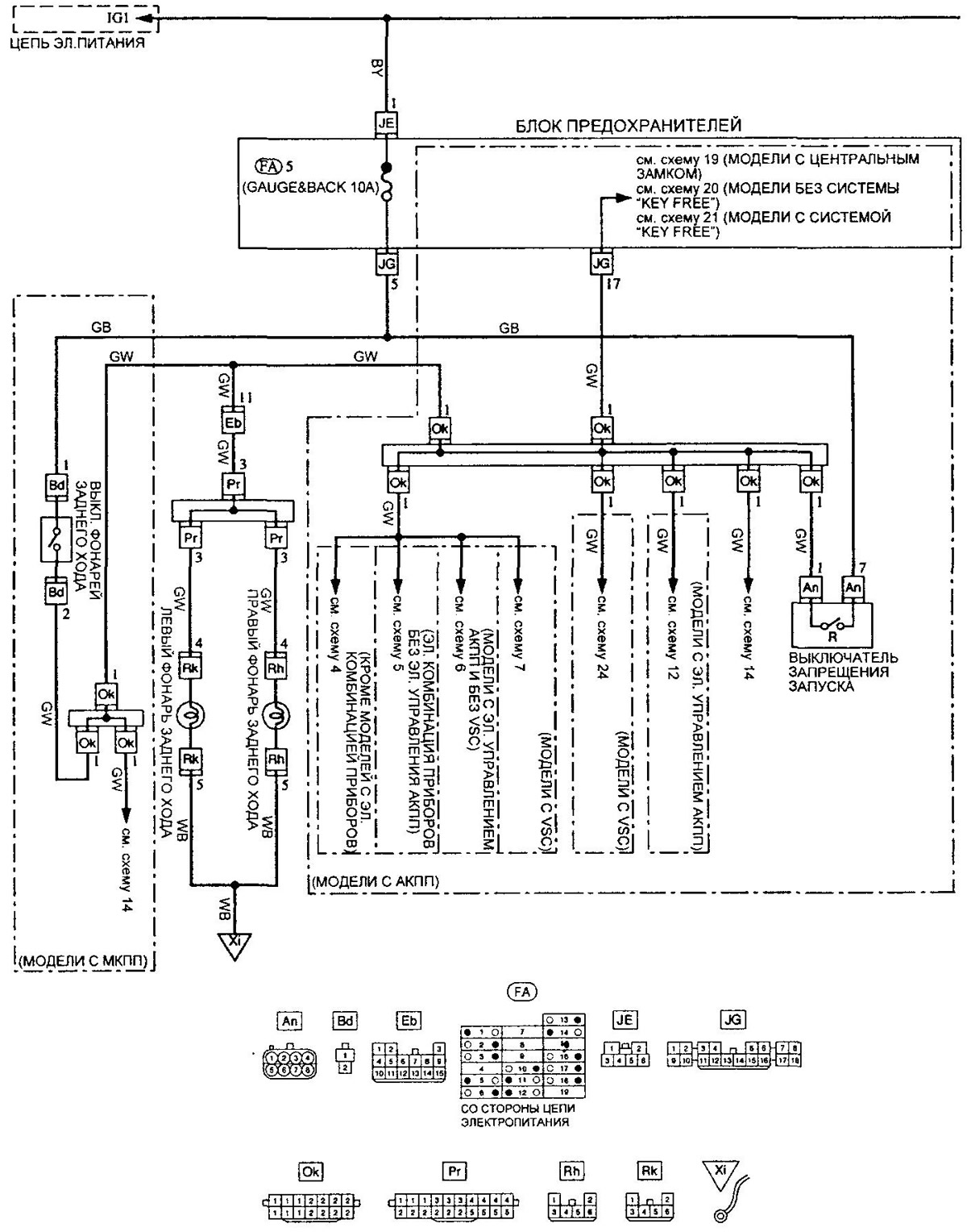
Схема на свързване на светлини за заден ход [Toyota Duet M100]

  • Главна
  • Toyota
  • Duet (1998-2004)
  • Електрическо оборудване
  • Електрически схеми
  • Схема на свързване на светлини за заден ход
0

Схема на свързване на светлини за заден ход




Отворете по-голямо изображение в нов раздел »


Вижте източника в интернет ресурса [ToyotaMAN]
Тази статия е достъпна на езици: руски, английски, беларуски, украински, сръбски, хърватски, румънски, полски, словашки, унгарски
Материалът на статията е проверен: Колоколцев Григорий
Сподели информация:
◀ Предишна
Duet: Електрически схеми
Следващия ▶

Пътепоказатели и аварийни светлини (с изключение на малък пакет)
Пътепоказатели и аварийни светлини (малък пакет)
Фарове, клаксон
Схема на свързване на спирачните светлини
Габарити, фарове за мъгла, габаритни светлини, светлина за пепелник...…
Запалка, отопление на задното стъкло
Автоматична система за управление на трансмисията (модели с електронно…
Чистачка и миене на предното стъкло
Чистачка и миене на задното стъкло
Радиоприемник (модели без навигационна система 1DIN)
Подобни статии за други модели на Toyota

➥ Схема на свързване на светлини за заден ход Toyota Cruiser 100 (1998-2007)
➥ Схема на свързване на светлини за заден ход Toyota Camry Vista V40 (1994-1998)
➥ Схема на свързване на светлини за заден ход Toyota Carina T190 (1992-1996)
➥ Схема 33. Светлини за заден ход, електрически люк Toyota Corona T190 (1992-1997)
➥ Схема на свързване на обратен сигнал Toyota 4 Runner N120 (1989-1995)
➥ Схема 10. Система за външно осветление с дневни светлини Toyota Highlander 1 (2000-2007, бензин)
Връзка в различни формати към тази статия
Коментари и обратна връзка от посетители
Без коментари все още


Добавете две числа 38 + 22

       





Duet (1998-2004) 
  • Обща информация
  • Ръководство на потребителя
  • Поддръжка
  • Силов агрегат
  • Бензинови двигатели 1,0 л
  • Бензинови двигатели 1,3 л
  • Основен ремонт на двигателя
  • Охладителна система
  • Система за смазване
  • Система за впръскване на гориво
  • Система за стартиране и зареждане
  • Предаване
  • Съединител
  • Ръчна скоростна кутия
  • Автоматична скоростна кутия
  • Задвижващи валове и кардан
  • Шаси, ходова част
  • Окачване на автомобил
  • Кормилно управление
  • Спирачна система
  • Каросерия и интериор
  • Части на тялото
  • Отопление и климатизация
  • SRS система за сигурност
  • Електрическо оборудване
  • Оборудване и инструменти
  • Електрически схеми
Dyna Y50/Y60 (1984-1995) 
  • Бензинови двигатели «Y»
  • Проверки и корекции
  • Основен ремонт
  • Система за охлаждане и смазване
  • Горивна система
  • Система за стартиране и зареждане
  • Система за запалване
  • Дизелови двигатели «L»
  • Ремонт на двигател
  • Система за охлаждане и смазване
  • Горивна система
  • Система за стартиране и зареждане
  • Трансмисия
  • Съединител
  • Ръчна скоростна кутия
  • Карданни валове
  • Шаси, ходова част
  • Автомобилно окачване
  • Спирачна система
  • Кормилно управление
  • Ел. оборудване и каросерия
  • Елементи на каросерия
  • Оборудване и устройства
  • Електрически схеми
ToyotaMan.ru © 2018–2026 • Мобилна версия • Интересно за Тойота • Администрация • Карта на сайта: EN BG BY UA RS HR RO PL SK HU • Система за търсене • Към отметки
Camry Vista-V40 • Camry XV10 • Camry XV20 • Camry XV30 • Corolla Verso-AR10 • Corolla E80 • Corona T190 • Carina T170 • Carina T190 • Land Cruiser J70 (дизел) • Land Cruiser J60 (бензин) • Land Cruiser J100 • Highlander XU20 (бензин) • 4Runner N120 • RAV4 XA10 • Duet M100 • Dyna Y50 •
Изискваме „бисквитки“, за да активираме някои интерактивни функции. Съгласни ли сте с това?