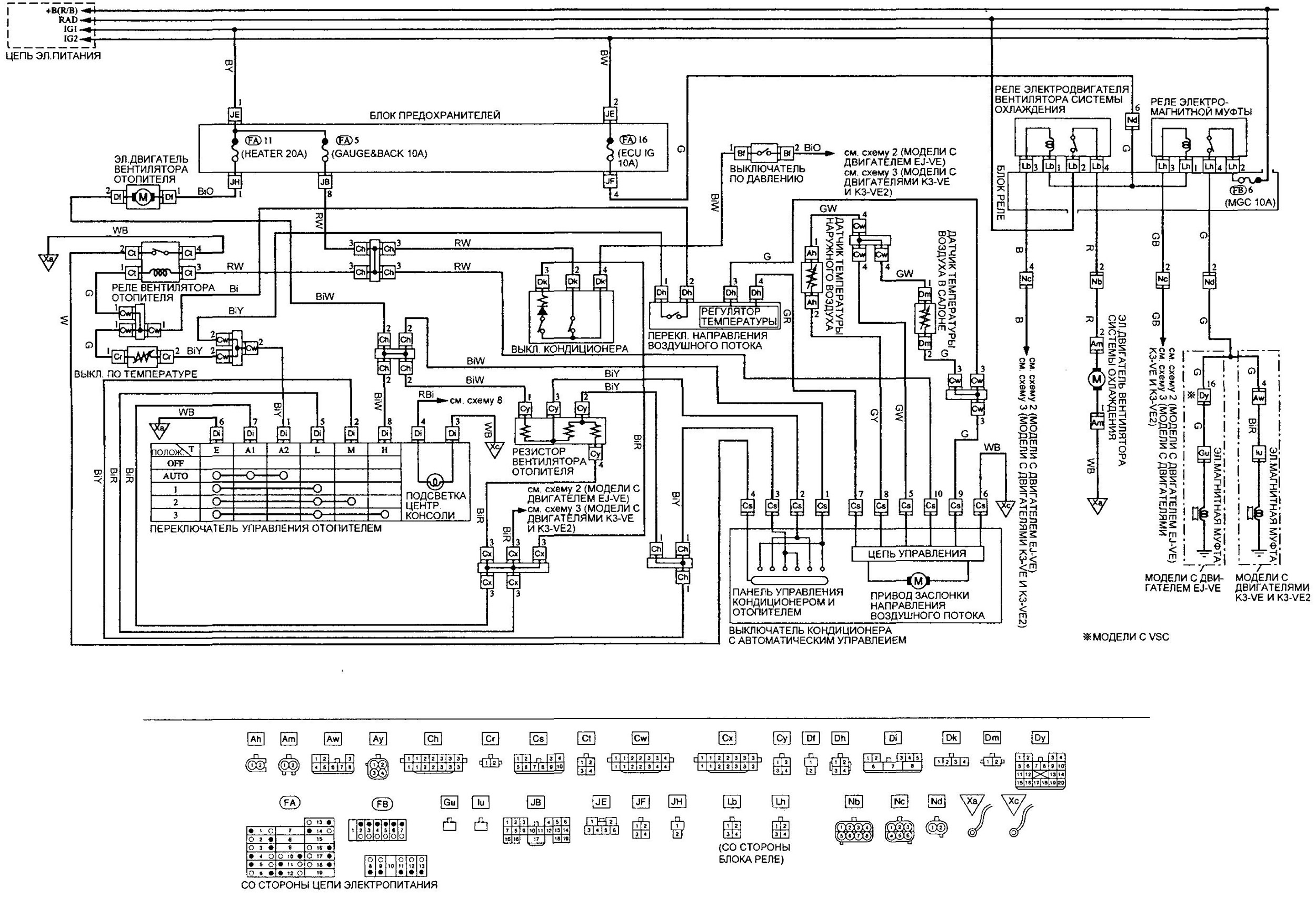
Вентилатор на охладителната система, нагревател, климатик (с автоматично управление) [Toyota Duet M100]
Тази статия е достъпна на езици: руски, английски, беларуски, украински, сръбски, хърватски, румънски, полски, словашки, унгарски
Материалът на статията е проверен: Колоколцев Григорий
Сподели информация:
Вентилатор за охлаждане, нагревател, климатик (ръчно управление)
Навигационна система, радиоприемник (модели с 1DIN навигационна система)
Радиоприемник (модели без навигационна система 1DIN)
Чистачка и миене на задното стъкло
Чистачка и миене на предното стъкло
Навигационна система, радиоприемник (модели с 1DIN навигационна система)
Радиоприемник (модели без навигационна система 1DIN)
Чистачка и миене на задното стъкло
Чистачка и миене на предното стъкло
Електрически стъклоповдигачи (модели със система против прищипване)
Огледална система за сгъване
Вътрешно осветление, зумер (модели с централно заключване)
Централно заключване, система без ключ, вътрешно осветление, зумер (без…
Централно заключване, система без ключ, вътрешно осветление, зумер (със…
Огледална система за сгъване
Вътрешно осветление, зумер (модели с централно заключване)
Централно заключване, система без ключ, вътрешно осветление, зумер (без…
Централно заключване, система без ключ, вътрешно осветление, зумер (със…
Подобни статии за други модели на Toyota
➥ Диаграма 10: Система за управление на задвижването на… Toyota Cruiser 70 (1985-1996, дизел)
➥ Управление на вентилатора на охладителната система Toyota Camry XV30 (2001-2006)
➥ Електрически вентилатор на охладителната система Toyota Carina T190 (1992-1996)
➥ Система за управление на двигателя 1996-1997 модели Toyota RAV 4 XA10 (1994-2000)
➥ Проверка на охладителната система Toyota 4 Runner N120 (1989-1995)
➥ Поддръжка на охладителната система — източване, промиване и… Toyota Highlander 1 (2000-2007, бензин)
Връзка в различни формати към тази статия
Коментари и обратна връзка от посетители
Без коментари все още
- Обща информация
- Ръководство на потребителя
- Поддръжка
- Силов агрегат
- Бензинови двигатели 1,0 л
- Бензинови двигатели 1,3 л
- Основен ремонт на двигателя
- Охладителна система
- Система за смазване
- Система за впръскване на гориво
- Система за стартиране и зареждане
- Предаване
- Съединител
- Ръчна скоростна кутия
- Автоматична скоростна кутия
- Задвижващи валове и кардан
- Шаси, ходова част
- Окачване на автомобил
- Кормилно управление
- Спирачна система
- Каросерия и интериор
- Части на тялото
- Отопление и климатизация
- SRS система за сигурност
- Електрическо оборудване
- Оборудване и инструменти
- Електрически схеми
- Бензинови двигатели «Y»
- Проверки и корекции
- Основен ремонт
- Система за охлаждане и смазване
- Горивна система
- Система за стартиране и зареждане
- Система за запалване
- Дизелови двигатели «L»
- Ремонт на двигател
- Система за охлаждане и смазване
- Горивна система
- Система за стартиране и зареждане
- Трансмисия
- Съединител
- Ръчна скоростна кутия
- Карданни валове
- Шаси, ходова част
- Автомобилно окачване
- Спирачна система
- Кормилно управление
- Ел. оборудване и каросерия
- Елементи на каросерия
- Оборудване и устройства
- Електрически схеми

