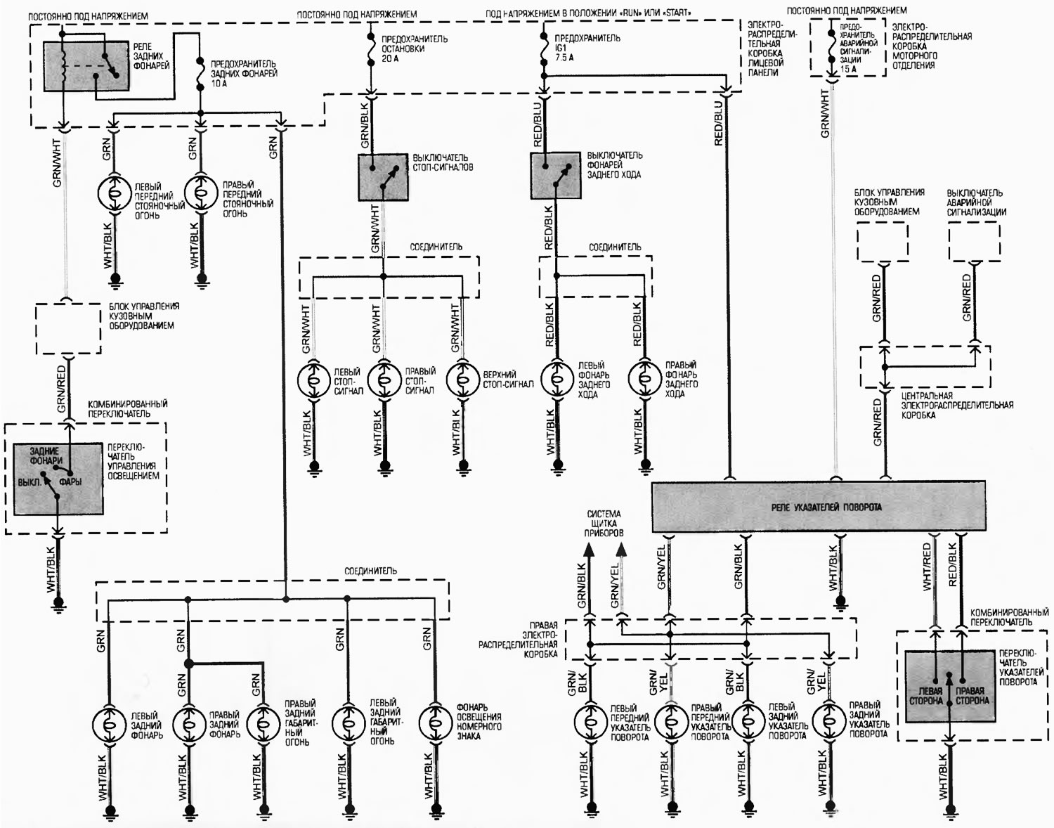
Схема 12. Система за външно осветление [Toyota Highlander XU20]
Тази статия е достъпна на езици: руски, английски, беларуски, украински, сръбски, хърватски, румънски, полски, словашки, унгарски
Материалът на статията е проверен: Евдокимов Евгений
Сподели информация:
Подобни статии за други модели на Toyota
➥ Електрическа схема на системата за външно осветление Toyota Cruiser 100 (1998-2007)
➥ Ключ за външно осветление — проверка и смяна Toyota 4 Runner N120 (1989-1995)
➥ Централно заключване, система без ключ, вътрешно… Toyota Duet (1998-2004)
➥ Електрическа схема на захранващата система Toyota Carina T190 (1992-1996)
➥ Схема на вътрешното осветление Toyota Corolla Verso 3 (2004-2009)
➥ Схема 2. Система за отопление на горивото (двигател 2C) Toyota Corona T190 (1992-1997)
Връзка в различни формати към тази статия
Коментари и обратна връзка от посетители
Без коментари все още
- Обща информация
- Въведение в ръководството
- Отстраняване на неизправности
- Поддръжка
- Силов агрегат
- 4-цилиндров двигател
- 6-цилиндров двигател
- Основен ремонт на двигатели
- Охлаждане и отопление
- Захранване и изпускателна система
- Електрическа система на двигателя
- Система за управление
- Предаване
- Автоматична скоростна кутия
- Задвижващи валове и кардан
- Шаси (ходова част)
- Спирачна система
- Окачване на автомобил
- Кормилно управление
- Каросерия и интериор
- Екстериор (външни елементи)
- Интериор (вътрешни елементи)
- Врати, брави и прозорци
- Електрическо оборудване
- Оборудване и инструменти
- Електрически схеми

