Оглавление: Снятие ↓ Установка ↓
Снятие
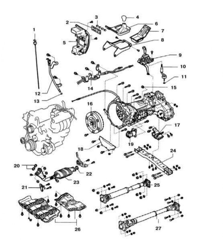
Типичная схема установки АТ
1 - Щуп измерения уровня ATF; 2 - Панель управления отопителем; 3 - Рукоятки управления отопителем; 4 - Рукоятка рычага переключения режимов раздаточной коробки; 5 - Центральная секция отделки панели приборов; 6 - Верхняя панель передней консоли; 7 - Верхняя панель задней консоли; 8 - Сборка передней консоли; 9 - Сборка рычага селектора передач; 10 - Рычаг переключения режимов раздаточной коробки; 11 - Стопорное кольцо; 12 - Заливная трубка; 13 - Уплотнительное кольцо; 14 - Трубка маслоохладителя; 15 - Заглушка штуцера для гидравлической проверки; 16 - Преобразователь вращения; 17 - Задняя опора подвески силового агрегата; 18 - Задняя торцевая пластина; 19 - Стартер; 20 - Уплотнительные прокладки; 21 - Опорный кронштейн; 22 - Уплотнительная прокладка; 23 - Приемная секция системы выпуска; 24 - Поперечная балка; 25 - Передний карданный вал; 26 - Защита картера; 27 - Задний карданный вал
1. Отсоедините от батареи сначала отрицательный провод, затем положительный.
Внимание! Если установленная на автомобиле стереосистема оборудована охранным кодом, прежде чем отсоединять батарею удостоверьтесь в том, что располагаете правильной комбинацией для ввода аудиосистемы в действие!
Снимите батарею с поддоном (см. Главу Электрооборудование двигателя).
2. Снимите узел воздушного фильтра, приводной ремень вентилятора, диффузор и расширительный бачок.
3. Снимите сборку рычага селектора АТ (см. Раздел Снятие и установка сборки рычага селектора АТ).
4. Поддомкратьте автомобиль и установите его на подпорки.
5. При соответствующей комплектации снимите защиту картера.
6. Отсоедините от коллекторов приемные трубы системы выпуска отработавших газов.
7. Поставьте под заднюю часть АТ емкость для сбора жидкости. Нанесите метки и снимите передний и задний карданные валы (см. Главу Трансмиссионная линия).
8. Снимите сборку измерительного щупа ATF (обратитесь к иллюстрации выше).
9. Отсоедините тяги привода АТ и раздаточной коробки.
10. Отсоедините следующие разъемы:
- Датчиков VSS №1 и №2;
- Датчика скорости 0/D;
- Электромагнитного клапана;
- Датчика температуры ATF;
- Датчика P/N (разрешения запуска);
- Датчика блокировки межосевого дифференциала;
- Электромотора исполнительного устройства;
- Датчика L4
- Датчика нейтрального положения раздаточной коробки
11. Снимите крышку колокола и отдайте шесть болтов крепления гидротрансформатора к приводному диску.
12. Отсоедините от АТ трубки маслоохладителя.
13. Подперев АТ домкратом и проложив между ними кусок доски, снимите поперечную балку.
14. Чтобы гидротрансформатор не выпал из АТ, не наклоняйте ее вперед.
Установка
1. Если снимался, установите гидротрансформатор в АТ. Поворачивая его понемногу, аккуратно втолкните гидротрансформатор в коробку до упора. При правильной посадке трансформатора расстояние от его торца до среза колокола должно быть не менее 17.1 мм.
2. Установите АТ на направляющие втулки двигателя. Заверните болты крепления и затяните их с усилием 72 Нм.
3. Установите поперечную балку и затяните болты ее крепления моментом 50 Нм. Гайки затяните с усилием 74 Нм.
4. Присоедините к АТ маслоохладительные трубки, затянув шестигранные фитгинги с усилием 32 Нм.
5. Заверните шесть болтов крепления гидротрансформатора к приводному диску. Сначала заверните болт с зеленой меткой, затем остальные. Для последовательного доступа к болтам вращайте коленчатый вал. Болты затяните с усилием 48 Нм.
6. Дальнейшая установка производится в порядке обратном порядку демонтажа компонентов.
7. Залейте в трансмиссию ATF (см. Главу Настройки и текущее обслуживание автомобиля), запустите двигатель и осмотрите агрегат на наличие признаков развития утечек.
