Снятие
Примечание: установка производится в порядке обратном снятию. После установки проверьте работу датчиков частоты вращения (ABS) и углы установки задних колес.
1. Снимите заднее колесо.
- Момент затяжки — 105 Нм
2. Отверните контргайку.
а) Снимите шплинт и колпачок контргайки
б) Отверните контргайку, нажав на педаль тормоза.
- Момент затяжки — 190 Нм

3. Снимите суппорт в сборе.
- Момент затяжки — 47,5 Нм

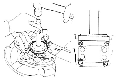
4. Проверьте осевой зазор подшипника и биение ступицы.
а) Используя стрелочный индикатор, проверьте осевой зазор подшипника.
- Максимальный зазор — 0,05 мм
Если зазор не соответствует норме, то замените подшипник.

б) Используя индикатор, проверьте биение ступицы.
- Максимальное биение — 0,07 мм

Если биение не соответствует норме, то замените ступицу и подшипник.
5. Снимите тормозные колодки стояночного тормоза (см. соответствующий раздел в главе "Тормозная система").
6. Отверните два болта, и отсоедините трос привода стояночного тормоза от тормозного щита.
- Момент затяжки — 8 Нм

7. Отверните две гайки с нижней стороны стойки.
Примечание: не снимайте болты.
- Момент затяжки — 260 Нм

8. Отверните болты крепления кронштейна троса привода стояночного тормоза.
- Момент затяжки — 5 Нм

9. Ослабьте болт крепления продольного рычага к кузову.
- Момент затяжки — 115 Нм

10. Отверните болт, гайки и отсоедините продольный и нижние рычаги №1 и №2 от кулака.
Примечание: при установке, затяжку производите после стабилизации подвески.
Момент затяжки при установке:
- Болт — 115 Нм
- Гайка — 125 Нм

Снятие ступицы и кулака заднего колеса (модели 4WD).
1 - нижний рычаг подвески №1,
2 - приводной вал,
3 - нижний рычаг подвески №2,
4 - суппорт,
5 - держатель,
6 - трос привода стояночного тормоза,
7 - ступица и кулак заднего колеса в сборе,
8 - тормозная колодка,
9 - седло пружины,
10 - тормозной диск,
11 - колпачок контргайки,
12 - шплинт,
13 - регулятор,
14 - пружина держателя,
15 - возвратная пружина,
16 - стяжная пружина колодки,
17 - пружина,
18 - распорная пластина,
19 - продольный рычаг.
Ступица и кулак заднего колеса (модели 4WD).
1, 8 - сальник,
2 - кулак заднего колеса,
3, 9 - внутреннее кольцо подшипника,
4 - подшипник,
5 - стопорное кольцо,
6 - ступица заднего колеса,
7 - тормозной щит.
11. Снимите ступицу и кулак заднего колеса в сборе.
а) Снимите болты с нижней стороны стойки.
б) Снимите ступицу и кулак заднего колеса.
Примечание: не повредите пыльник, сальник и ротор датчика частоты вращения (ABS).
Разборка
1. Отверните четыре болта крепления тормозного щита.

2. Снимите ступицу и наружный сальник, а) С помощью специнструмента, снимите кулак со ступицы.

б) Снимите тормозной щит.
в) С помощью специнструмента, снимите внутреннее кольцо подшипника со ступицы.

3. С помощью специнструмента, извлеките внутренний сальник.

4. С помощью специнструмента, снимите стопорное кольцо.

5. Снимите подшипник с кулака.
а) Установите внутреннее кольцо на подшипник.
б) Выпрессуйте подшипник.

Сборка
1. Установите подшипник в кулак.
Примечание: если подшипник разбирался, установите внутренние кольца на те же места что и до разборки.
а) Снимите внутренние кольца с нового подшипника.
б) С помощью оправки и пресса, запрессуйте новый подшипник.

в) Установите внутренние кольца.
2. Используя специнструмент, установите новое стопорное кольцо.
Примечание: не повредите подшипник.
3. Используя специнструмент и молоток, установите новый наружный сальник.
Примечание: нанесите на рабочую кромку сальника консистентную смазку.

4. Установите тормозной щит, и затяните четыре болта.
- Момент затяжки — 7,3 Нм
5. Используя специнструмент и пресс, установите ступицу.
Примечание: не повредите подшипник.

6. С помощью специнструмента и молотка, установите новый внутренний сальник.
Примечание: нанесите на рабочую кромку сальника консистентную смазку.

Замена болта ступицы
Примечание: см. соответствующий раздел в главе "Передняя подвеска".
