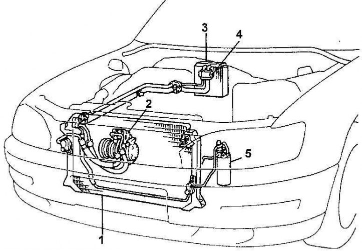
Расположение основных узлов системы кондиционирования воздуха
1 – конденсатор; 2 – компрессор; 3 – ресивер; 4 – испаритель; 5 – клапан
Расположение смотрового окна для определения уровня хладагента в системе кондиционирования воздуха

Система кондиционирования воздуха состоит из конденсатора, установленного перед радиатором, испарителя, расположенного около отопителя, компрессора, установленного на двигателе, и дегидратора. Вентилятор отопителя прогоняет теплый воздух в салон автомобиля через испаритель, охлаждает его до требуемой температуры.
Внимание! Система кондиционирования воздуха находится под давлением, поэтому нельзя ослаблять никакие соединения в системе кондиционирования, пока не снято давление. Источником повышенной опасности при неправильном обслуживании системы неподготовленным техническим персоналом и при использовании ненадлежащего оборудования является высокое давление и химическое воздействие хладагента.
Внимание! Система кондиционирования должна обслуживаться исключительно подготовленным техническим персоналом, обученным безопасным приемам работы с применением надлежащего оборудования, с соблюдением правил разгерметизации, ознакомленному с приемами сбора и порядком хранения автомобильного хладагента.
Внимание! Не допускайте контакта хладагента с кожей.
Внимание! При работе рядом с системой кондиционирования надевайте защитные очки.
Внимание! При попадании хладагента на кожу или глаза не растирайте пораженное место. Немедленно промойте холодной водой в течение не менее 15 минут. Немедленно обратитесь к врачу или лечебное учреждение. Самолечение не допускается.
Внимание! В новом баллоне хладагент находится под давлением. Хранить при температуре не выше 50°C. Принимайте меры, исключающие падение баллона с высоты или иные ситуации, которые могут привести к его повреждению.
Внимание! Работы следует проводить в хорошо вентилируемом помещении. Хладагент быстро испаряется, приводит к уменьшению доступа кислорода и к затрудненному дыханию.
Внимание! Газообразный хладагент тяжелее воздуха и сравнительно быстро должен собираться внизу, например, под автомобилем.
Предупреждение! При сгорании хладагента образуется ядовитый газ. Храните хладагент вдали от открытых источников огня. Не курите. При использовании пламенных течеискателей избегайте вдыхания дыма.
Внимание! При проведении сварочных работ вблизи системы кондицио нирования всегда удаляйте из нее хладагент. Электросварка вблизи трубопроводов с хладагентом может вызвать разложение хладагента под действием ультрафиолетового излучения.
Внимание! Не подвергайте детали системы кондиционирования воздействию высокой температуры или открытого пламени. Перегрев может привести к повышению давления в системе и воспламенению.
Внимание! Очистка конденсатора или испарителя с помощью водяного пара не допускается. Следует использовать только холодную воду или сжатый воздух.
Внимание! В системе кондиционирования предусмотрено смотровое окно, предназначенное для грубой оценки уровня заправленного хладагента (см. рис. Расположение смотрового окна для определения уровня хладагента в системе кондиционирования воздуха).
Внимание! Для проверки уровня хладагента запустите двигатель и включите кондиционер. При работающем компрессоре в смотровом окне не должно наблюдаться пузырьков. Присутствие пузырьков хотя бы и на короткий промежуток времени свидетельствует о недостаточной заправке хладагента. Появление признаков вспенивания на внутренней стороне смотрового стекла может указывать почти полное отсутствие хладагента. Для полного восстановления работоспособности системы кондиционирования магистраль системы должна откачиваться, проверяться на герметичность и заправляться подготовленным персоналом с использованием надлежащего оборудования.
